Piezo Hannas (WuHan) Tech Co,.Ltd .- Профессиональный пьезокерамический поставщик элементов
продукты
Вы здесь: Дом / Товары / Ультразвуковые преобразователи / Подводный акустический преобразователь / Изготовленный на заказ подводный сферический преобразователь гидрофона
Высокочастотные оптовые продукты для производителей и заводов:

Обратная связь

loading

Поделиться с:
sharethis sharing button

Изготовленный на заказ подводный сферический преобразователь гидрофона

штат:
Количество:
  • HS/T24

  • Piezohannas

  • HS/T24

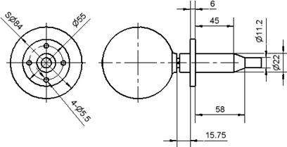
         Пользовательский подводной сферический гидрофон датчика



Технические характеристики:


Модель

HS/T24

J50) wive`cq) rnn`nkt7  

резонансная частота

24 кГц

Рабочая группа

16 кГц ~ 40 кГц

передача отклика напряжения

SVL≥146DB

SтатCатакация

1200pf

Уровень источника звука (SL)

SL≥195DB

Рабочая глубина

300 м

CспособныйSощущение

Φ11,2 мм  Двойной экранированный кабель

Yxy3rdxeolwn%bmbjk7





предыдущий: 
следующий: 

Горячие продукты

Piezo Hannas (WuHan) Tech Co,.Ltd - это профессиональная пьезоэлектрическая керамика и производитель ультразвуковых преобразователей, посвященный ультразвуковым технологиям и промышленным приложениям.

СВЯЖИТЕСЬ С НАМИ

Добавить: № 456 Wu Luo Road, район Вучан, город Ухан, провинция Хубей, Китай.
Эл. адрес:sales@piezohannas.com
Тел: +86 27 84898868
Телефон: +86 +18986196674
QQ: 1553242848
Skype: Live: Mary_14398
Copyright 2017  Piezo Hannas (WuHan) Tech Co,.Ltd.All rights reserved.
Товары