Применение пьезоэлектрического керамического преобразователя в новой отрасли
Наиболее важные моменты для использования пьезоэлектрического керамического преобразователя
Мастер навыки ультразвуковых преобразователей и быть успешным.
Ультразвуковые пьезоэлектрические преобразователи так известны, но почему?
| штат: | |
|---|---|
| Количество: | |
PH50F038
Piezohannas
PH50F038
Введение:
PH50F038ULTrasonic Sensor имеет функции передатчика и приемника. Это’S a Long Drasty Type, как правило, может использоваться для искателя ультразвукового диапазона, ультразвукового датчика для неконтактных объектов, датчика ультразвукового расстояния, датчика ультразвукового уровня жидкости и т. Д. Если у вас есть какие-либо вопросы для других приложений, свяжитесь с нами для получения подробной информации.
технические параметры:
Модель | PH50F038 |
Центральная резонансная частота (кГц) | 50КГц ± 2,0 кГц |
Пропускная способность | 4,0 кГц |
Расстояние обнаружения | 0,3 ~ 8 м |
Слепые зоны | <0,3м |
Луч угла запуска (полное угол -6 дБ) | 14 ± 2 ° |
Чувствительный | -78 дБ мин |
Электростатическая емкость | 2000pf ± 20% |
Минимальный параллельный импеданс | 250 Ом ± 30% |
Максимальное рабочее напряжение (импульс - 2% рабочего цикла) | 1000 Вп-P |
Рабочая Температура | -20 ~ 70℃ |
Температура хранения | -40 ~ 85℃ |
Уровень защиты | IP65 |
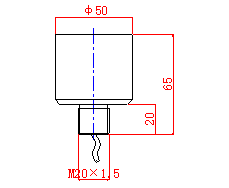
Размер (диаметр * высота, мм) | Φ50x65 |
Монтаж | Исправлено винтом |
Материал корпуса | Абс или алюминиевый сплав |
Длинна кабеля | 2m (можно настроить) |
Масса | 200G |
Фото:
Определение измерения :
Тестовая цепь :
Особенности ультразвуковых датчиков:
1Небольшой размер и легкий вес
2 Высокая чувствительность и высокое звуковое давление
3.Низкое энергопотребление
4СрокаH надежность
Характеристика:
Сплошная упаковка (ABS или алюминиевая раковина сплава)
Установка целесообразно (M20*1,5 винт)
Заявление:
1Местоположение
2Подход измерение
3Измерение трафика
4Избегая препятствий
Введение:
PH50F038ULTrasonic Sensor имеет функции передатчика и приемника. Это’S a Long Drasty Type, как правило, может использоваться для искателя ультразвукового диапазона, ультразвукового датчика для неконтактных объектов, датчика ультразвукового расстояния, датчика ультразвукового уровня жидкости и т. Д. Если у вас есть какие-либо вопросы для других приложений, свяжитесь с нами для получения подробной информации.
технические параметры:
Модель | PH50F038 |
Центральная резонансная частота (кГц) | 50КГц ± 2,0 кГц |
Пропускная способность | 4,0 кГц |
Расстояние обнаружения | 0,3 ~ 8 м |
Слепые зоны | <0,3м |
Луч угла запуска (полное угол -6 дБ) | 14 ± 2 ° |
Чувствительный | -78 дБ мин |
Электростатическая емкость | 2000pf ± 20% |
Минимальный параллельный импеданс | 250 Ом ± 30% |
Максимальное рабочее напряжение (импульс - 2% рабочего цикла) | 1000 Вп-P |
Рабочая Температура | -20 ~ 70℃ |
Температура хранения | -40 ~ 85℃ |
Уровень защиты | IP65 |
Размер (диаметр * высота, мм) | Φ50x65 |
Монтаж | Исправлено винтом |
Материал корпуса | Абс или алюминиевый сплав |
Длинна кабеля | 2m (можно настроить) |
Масса | 200G |
Фото:
Определение измерения :
Тестовая цепь :
Особенности ультразвуковых датчиков:
1Небольшой размер и легкий вес
2 Высокая чувствительность и высокое звуковое давление
3.Низкое энергопотребление
4СрокаH надежность
Характеристика:
Сплошная упаковка (ABS или алюминиевая раковина сплава)
Установка целесообразно (M20*1,5 винт)
Заявление:
1Местоположение
2Подход измерение
3Измерение трафика
4Избегая препятствий