| штат: | |
|---|---|
| Количество: | |
PHA-1M-01EA
Piezohannas
PHA-1M-01EA
1 МГц из нержавеющей стали пьезоэлектрический ультразвуковой преобразователь для ультразвукового потока.
Предметы | Технические параметры | Изображение | |
Имя | Вставленная транс -датчик потока трубки |
| |
Модель | PL-1M-01EA | ||
Fзапрашиваемость | 1 МГц ± 30 кГц | ||
Расстояние обнаружения | 0.05~3M | ||
Минимальный параллельный LMpedance |
25 Ом ± 20% | ||
2800pf ± 20%@1 кГц | |||
Чувствительность | Напряжение вождения зонда:24vpp、 Расстояние:0,3м、 Эхо -амплитуда:1,0 В. | ||
Вершина горы Напряжение<300vpp | |||
-40~+80 ℃ | |||
≤3 килограмма или0,3 МПа | |||
| (Продолжительность пучка) Ширина луча полуосновной @-3db: 3,2 ° ± 1, Резкий угол: 7,5 ° ± 2 | ||
Жилищный материал | 304Stainless Steel | ||
Применение | Ультразвуковой течет, Подводный Разрушитель | ||
Согласно с PудивлениеSтрансDЯграмма | |||
Уровень защиты | IP68 | ||
Масса | 165 г ± 5% (Длина:2M) | ||
Проводка инструкции | Красный:преобразователь+,Белый:преобразователь-,Черный: экранированный; ( температурадатчик Провод не является обязательным) | ||
Кривая допуска | PудивлениеSтрансDЯграмма | ||
| |||
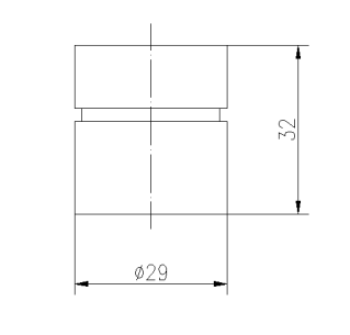
Блок -схема ультразвукового преобразователя расстояния :

Схематическая схема датчика температуры:
1 МГц из нержавеющей стали пьезоэлектрический ультразвуковой преобразователь для ультразвукового потока.
Предметы | Технические параметры | Изображение | |
Имя | Вставленная транс -датчик потока трубки |
| |
Модель | PL-1M-01EA | ||
Fзапрашиваемость | 1 МГц ± 30 кГц | ||
Расстояние обнаружения | 0.05~3M | ||
Минимальный параллельный LMpedance |
25 Ом ± 20% | ||
2800pf ± 20%@1 кГц | |||
Чувствительность | Напряжение вождения зонда:24vpp、 Расстояние:0,3м、 Эхо -амплитуда:1,0 В. | ||
Вершина горы Напряжение<300vpp | |||
-40~+80 ℃ | |||
≤3 килограмма или0,3 МПа | |||
| (Продолжительность пучка) Ширина луча полуосновной @-3db: 3,2 ° ± 1, Резкий угол: 7,5 ° ± 2 | ||
Жилищный материал | 304Stainless Steel | ||
Применение | Ультразвуковой течет, Подводный Разрушитель | ||
Согласно с PудивлениеSтрансDЯграмма | |||
Уровень защиты | IP68 | ||
Масса | 165 г ± 5% (Длина:2M) | ||
Проводка инструкции | Красный:преобразователь+,Белый:преобразователь-,Черный: экранированный; ( температурадатчик Провод не является обязательным) | ||
Кривая допуска | PудивлениеSтрансDЯграмма | ||
| |||
Блок -схема ультразвукового преобразователя расстояния :

Схематическая схема датчика температуры: