Piezo Hannas (WuHan) Tech Co,.Ltd .- Профессиональный пьезокерамический поставщик элементов
продукты
Вы здесь: Дом / Товары / Ультразвуковые преобразователи / Преобразователь для газового счетчика / Ультразвуковой датчик ветра Измерение скорости ветра в анемометре
Высокочастотные оптовые продукты для производителей и заводов:

Обратная связь

loading

Поделиться с:
sharethis sharing button

Ультразвуковой датчик ветра Измерение скорости ветра в анемометре

Ультразвуковой преобразователь для анеморумометра, скорость ветра.
штат:
Количество:
  • PHA-200-01KG

  • Piezohannas

  • PHA-200-01KG

   Ультразвуковое измерение скорости ветра ветра в анемометре


Предметы

Технические параметры

Изображение

Имя

200 кГц  Ультразвуковой датчик

 

`C3@$ ec%34zu`rff6c41  

Модель

PhA-200-01KG    

Частота

200 кГц ±5%

Расстояние обнаружения

0.101,5 м

Минимум

Параллельный LMpedance

600Ω ± 20

Емкость

800PF ± 20@1 кГц

 

Чувствительность

Напряжение за рулем800vppРасстояние:0,3м

Эхо -амплитуда25мв.

Работа

Напряжение

Вершина горы  Напряжение1000 VPP

Работа

Температура

-40+80 ℃

Давление

≤3Килограммы или  0,3 МПа

 

Угол

(Продолжительность пучка) Ширина луча полуосновной@-3db:8.4° ± 2

Резкий угол:20° ± 4

Корпус  Материал

Пома

 

Применение

Анеморумометр  ,граммкак потокотист

Монтаж

Измерение

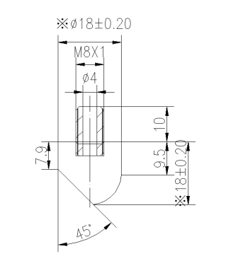
нитьM8*1

Уровень защиты

IP68

Масса

10G ± 5% (Lэн25см

Инструкции по проводке

integratЭд типразъемКрасный+Белый-Черный: экранированный

 

Кривая допуска

Структура продукта

 

 

9} {e9) r3@am7l488 $ g158) g  

KGSL%6FPA2PY (O3_YCK043U


Изображение приложения:


Наши четыре преобразователя исправлены на держатель анемометра


Hprf () ujjd [u3%e3gf1s@2


78UY1UEVN%`f]} i93yx2t0



предыдущий: 
следующий: 

Горячие продукты

Piezo Hannas (WuHan) Tech Co,.Ltd - это профессиональная пьезоэлектрическая керамика и производитель ультразвуковых преобразователей, посвященный ультразвуковым технологиям и промышленным приложениям.

СВЯЖИТЕСЬ С НАМИ

Добавить: № 456 Wu Luo Road, район Вучан, город Ухан, провинция Хубей, Китай.
Эл. адрес:sales@piezohannas.com
Тел: +86 27 84898868
Телефон: +86 +18986196674
QQ: 1553242848
Skype: Live: Mary_14398
Copyright 2017  Piezo Hannas (WuHan) Tech Co,.Ltd.All rights reserved.
Товары