Piezo Hannas (WuHan) Tech Co,.Ltd .- Профессиональный пьезокерамический поставщик элементов
продукты
Вы здесь: Дом / Товары / Ультразвуковые преобразователи / Преобразователь для газового счетчика / Ультразвуковой датчик расстояния из титанового сплава 200 кГц для ультразвукового расходомера газа
Высокочастотные оптовые продукты для производителей и заводов:

Обратная связь

loading

Поделиться с:
sharethis sharing button

Ультразвуковой датчик расстояния из титанового сплава 200 кГц для ультразвукового расходомера газа

Ультразвуковой датчик для ультразвукового измерителя потока газа
штат:
Количество:
  • PHAL-200-01B

  • Piezohannas

  • PHAL-200-01B

 200 кГц титановый сплав.



Предметы

Технические параметры

Изображение

Имя

200 кГц  Ультразвуковой датчик

(L_Y (EFNS9} PFO9 (J%Q86K  

03) b (cnj8 {bt6xgzttmzey  

Модель

PhAL-200-01B

Частота

10 мм

Расстояние обнаружения

200КГц ±5%

Минимум

Параллельный LMpedance

0.101,5 м

Емкость

1200 Ом ± 20

 

Чувствительность

380pf ± 20@1 кГц

Работа

Напряжение

Излучение напряжения800vpp,расстояние:30 см,получение и излучение

Получение напряжения: 20 мВ

Работа

Температура

Вершина горы  Напряжение1000vpp

Давление

-40+80 ℃

 

Угол

16Килограммы или1,6 МПа

Корпус  Материал

(Продолжительность пучка)Ширина луча с половиной мощности@-3db: 10 ° ± 2

Острый угол: 23 ° ± 4

 

Применение

Титановый сплав

Монтаж

Измерение

Ультразвуковой счетчик потока газа

Уровень защиты

настраиваемый

Масса

IP68

Инструкции по проводке

14 г ± 5

Имя

integratЭд типКрасный+Белый-Черный: экранированный

 

Кривая допуска

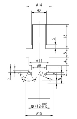
Структура продукта

 

Ka) e2t7s@duuhwykfkv {3  

$ 6yMVX3L%`3NZCX8VRLZ47



Блок -схема ультразвукового преобразователя :


0ryjg8d (6_Q9xm%86pdg


Схематическая схема датчика температуры:


O3`1pa5yr5%z5`dq1r




предыдущий: 
следующий: 

Горячие продукты

Piezo Hannas (WuHan) Tech Co,.Ltd - это профессиональная пьезоэлектрическая керамика и производитель ультразвуковых преобразователей, посвященный ультразвуковым технологиям и промышленным приложениям.

СВЯЖИТЕСЬ С НАМИ

Добавить: № 456 Wu Luo Road, район Вучан, город Ухан, провинция Хубей, Китай.
Эл. адрес:sales@piezohannas.com
Тел: +86 27 84898868
Телефон: +86 +18986196674
QQ: 1553242848
Skype: Live: Mary_14398
Copyright 2017  Piezo Hannas (WuHan) Tech Co,.Ltd.All rights reserved.
Товары