Пьезоэлектрические свойства пьезоэлектрического преобразователя
Сделайте свой пьезоэлектрический преобразователь реальностью
Как стать лучше с пьезоэлектрическим преобразователем за 10 минут
Вещи, которые ваш босс хотел, чтобы вы знали о пьезоэлектрическом преобразователе
Самая большая проблема с пьезоэлектрическим преобразователем, и как вы можете его исправить
| штат: | |
|---|---|
| Количество: | |
PH14F145
Piezohannas
PH14F145
Датчик расстояния ультразвукового расстояния длиной 14 кГц для 45 метров
Введение:
PH14F145 Ультразвуковой датчик имеет функции передатчика и приемника. Это тип дальнего расстояния, как правило, можно использовать для искателя ультразвукового диапазона, ультразвукового датчика для неконтактных объектов, ультразвукового датчика расстояния, датчика ультразвукового уровня жидкости и т. Д. Если у вас есть какие-либо вопросы для других приложений, свяжитесь с нами для получения подробной информации.
Технические параметры:
Модель | PH14F145 |
Центральная резонансная частота (кГц) | 14 кГц ± 2,0 кГц |
Пропускная способность | 1,5 кГц |
Расстояние обнаружения | 1,0 ~ 45 м |
Слепые зоны | <1,0 м |
Запуск угловой луч(-6db заполненугол) | 15 ± 2 ° |
Чувствительный | -55DB мин |
Электростатическая емкость | 11000PF ± 20% |
Минимальный параллельный импеданс | 280 Ом ± 30% |
Максимальное рабочее напряжение (импульс - 2% рабочего цикла) | 4000vp-p |
Рабочая Температура | -20 ~ 70℃ |
Температура хранения | -40 ~ 85℃ |
Уровень защиты | IP65 |
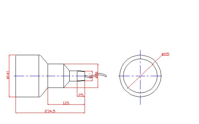
Размер (диаметр * высота, мм) | φ140x235 |
Монтаж | Исправлено винтом |
Материал корпуса | АБС |
Длинна кабеля | 3 м (можно настроить) |
Масса | 2,5 кг |
Фото:
Определение измерения :
Кривая частоты устойчивости :
Частота-Угол фазы Изгиб:
Тест на чувствительность:
Передача напряжения: 400VP-P; период: 50; Расстояние: 1,5 м
Dнеректирование Cурвировать:
Особенности ультразвуковых датчиков:
1.Небольшой размер и легкий вес
2 Высокая чувствительность и высокое звуковое давление
3Низкое энергопотребление
4.Высокая надежность
Характеристика:
1Твердое уплотнение с подобием (Внешний ПВХ покрытие)
2Удобная резьба в рассрочке (G1 \")
Заявление:
1Местоположение
2Подход измерение
3Измерение трафика
4Избегая препятствий
Датчик расстояния ультразвукового расстояния длиной 14 кГц для 45 метров
Введение:
PH14F145 Ультразвуковой датчик имеет функции передатчика и приемника. Это тип дальнего расстояния, как правило, можно использовать для искателя ультразвукового диапазона, ультразвукового датчика для неконтактных объектов, ультразвукового датчика расстояния, датчика ультразвукового уровня жидкости и т. Д. Если у вас есть какие-либо вопросы для других приложений, свяжитесь с нами для получения подробной информации.
Технические параметры:
Модель | PH14F145 |
Центральная резонансная частота (кГц) | 14 кГц ± 2,0 кГц |
Пропускная способность | 1,5 кГц |
Расстояние обнаружения | 1,0 ~ 45 м |
Слепые зоны | <1,0 м |
Запуск угловой луч(-6db заполненугол) | 15 ± 2 ° |
Чувствительный | -55DB мин |
Электростатическая емкость | 11000PF ± 20% |
Минимальный параллельный импеданс | 280 Ом ± 30% |
Максимальное рабочее напряжение (импульс - 2% рабочего цикла) | 4000vp-p |
Рабочая Температура | -20 ~ 70℃ |
Температура хранения | -40 ~ 85℃ |
Уровень защиты | IP65 |
Размер (диаметр * высота, мм) | φ140x235 |
Монтаж | Исправлено винтом |
Материал корпуса | АБС |
Длинна кабеля | 3 м (можно настроить) |
Масса | 2,5 кг |
Фото:
Определение измерения :
Кривая частоты устойчивости :
Частота-Угол фазы Изгиб:
Тест на чувствительность:
Передача напряжения: 400VP-P; период: 50; Расстояние: 1,5 м
Dнеректирование Cурвировать:
Особенности ультразвуковых датчиков:
1.Небольшой размер и легкий вес
2 Высокая чувствительность и высокое звуковое давление
3Низкое энергопотребление
4.Высокая надежность
Характеристика:
1Твердое уплотнение с подобием (Внешний ПВХ покрытие)
2Удобная резьба в рассрочке (G1 \")
Заявление:
1Местоположение
2Подход измерение
3Измерение трафика
4Избегая препятствий