| штат: | |
|---|---|
| Количество: | |
PH14F145
Piezohannas
PH14F145
Датчик датчика датчика на расстоянии на расстоянии 14 кГц на 45 метров
Ухан Пьезоханны Tech.co ., Ltd является производителем пьезоэлектрической керамики, ультразвуковых преобразователей и некоторых других ультразвуковых Deivce с сильной технологической силой. С системой управления качеством и сектором исследований и разработок, наши продукты широко используются в большинстве приложений.
Введение:
PH14F145 Ультразвуковой датчик имеет функции передатчика и приемника. Это тип дальнего расстояния, как правило, можно использовать для искателя ультразвукового диапазона, ультразвукового датчика для неконтактных объектов, ультразвукового датчика расстояния, датчика ультразвукового уровня жидкости и т. Д. Если у вас есть какие-либо вопросы для других приложений, свяжитесь с нами для получения подробной информации.
Технические параметры:
Модель | PH14F145 |
Центральная резонансная частота (кГц) | 14 кГц ± 2,0 кГц |
Пропускная способность | 1,5 кГц |
Расстояние обнаружения | 1,0 ~ 45 м |
Слепые зоны | <1,0 м |
Луч угла запуска (полное угол -6 дБ) | 15 ± 2 ° |
Чувствительный | -55DB мин |
Электростатическая емкость | 11000PF ± 20% |
Минимальный параллельный импеданс | 280 Ом ± 30% |
Максимальное рабочее напряжение (импульс - 2% рабочего цикла) | 4000vp-p |
Рабочая Температура | -20 ~ 70 ℃ |
Температура хранения | -40 ~ 85 ℃ |
Уровень защиты | IP65 |
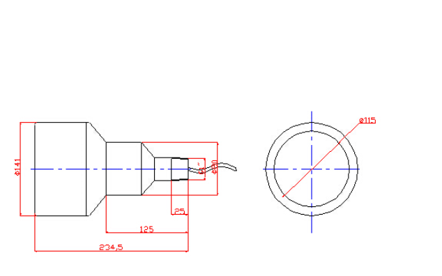
Размер (диаметр * высота, мм) | φ140x235 |
Монтаж | Исправлено винтом |
Материал корпуса | АБС |
Длинна кабеля | 3 м (можно настроить) |
Масса | 2,5 кг |
Определение измерения :
Кривая частоты устойчивости :
Частота-Угол фазы Изгиб:
Тест на чувствительность:
Передача напряжения: 400VP-P; период: 50; Расстояние: 1,5 м
Dнеректирование Cурвировать:
Особенности ультразвуковых датчиков:
1. Большой размер и легкий вес
2 Высокая чувствительность и высокое звуковое давление
3. Потребление мощности
4. Высокая надежность
Характеристика:
1. Уточняющий вид с подобием (внешняя ПВХ покрытие)
2. Подготовительная резьба (G1 \")
Заявление:
1. Расположение положения
2. Соответствие измерения
3. Тратфическое измерение
4. Проводящие препятствия
Датчик датчика датчика на расстоянии на расстоянии 14 кГц на 45 метров
Ухан Пьезоханны Tech.co ., Ltd является производителем пьезоэлектрической керамики, ультразвуковых преобразователей и некоторых других ультразвуковых Deivce с сильной технологической силой. С системой управления качеством и сектором исследований и разработок, наши продукты широко используются в большинстве приложений.
Введение:
PH14F145 Ультразвуковой датчик имеет функции передатчика и приемника. Это тип дальнего расстояния, как правило, можно использовать для искателя ультразвукового диапазона, ультразвукового датчика для неконтактных объектов, ультразвукового датчика расстояния, датчика ультразвукового уровня жидкости и т. Д. Если у вас есть какие-либо вопросы для других приложений, свяжитесь с нами для получения подробной информации.
Технические параметры:
Модель | PH14F145 |
Центральная резонансная частота (кГц) | 14 кГц ± 2,0 кГц |
Пропускная способность | 1,5 кГц |
Расстояние обнаружения | 1,0 ~ 45 м |
Слепые зоны | <1,0 м |
Луч угла запуска (полное угол -6 дБ) | 15 ± 2 ° |
Чувствительный | -55DB мин |
Электростатическая емкость | 11000PF ± 20% |
Минимальный параллельный импеданс | 280 Ом ± 30% |
Максимальное рабочее напряжение (импульс - 2% рабочего цикла) | 4000vp-p |
Рабочая Температура | -20 ~ 70 ℃ |
Температура хранения | -40 ~ 85 ℃ |
Уровень защиты | IP65 |
Размер (диаметр * высота, мм) | φ140x235 |
Монтаж | Исправлено винтом |
Материал корпуса | АБС |
Длинна кабеля | 3 м (можно настроить) |
Масса | 2,5 кг |
Определение измерения :
Кривая частоты устойчивости :
Частота-Угол фазы Изгиб:
Тест на чувствительность:
Передача напряжения: 400VP-P; период: 50; Расстояние: 1,5 м
Dнеректирование Cурвировать:
Особенности ультразвуковых датчиков:
1. Большой размер и легкий вес
2 Высокая чувствительность и высокое звуковое давление
3. Потребление мощности
4. Высокая надежность
Характеристика:
1. Уточняющий вид с подобием (внешняя ПВХ покрытие)
2. Подготовительная резьба (G1 \")
Заявление:
1. Расположение положения
2. Соответствие измерения
3. Тратфическое измерение
4. Проводящие препятствия