| штат: | |
|---|---|
| Количество: | |
PH30F0620
Piezohannas
PH30F0620
Ультразвуковой датчик 30 кГц для измерения дистанции 20 м.
Введение:
PH30F0620 Ультразвуковой датчик имеет функции передатчика и приемника. Это тип дальнего расстояния, как правило, можно использовать для искателя ультразвукового диапазона, ультразвукового датчика для неконтактных объектов, ультразвукового датчика расстояния, датчика ультразвукового уровня жидкости и т. Д. Если у вас есть какие-либо вопросы для других приложений, свяжитесь с нами для получения подробной информации.
Технические параметры:
Модель | PH30F0620 |
Центральная резонансная частота (кГц) | 30КГц ± 2,0 кГц |
Пропускная способность | 3.0 кГц |
Расстояние обнаружения | 06~20M |
Слепые зоны | <06m |
Луч угла запуска (полное угол -6 дБ) | 14 ± 2 ° |
Чувствительный | -65дБ мин |
Электростатическая емкость | 7000pf ± 20% |
Минимальный параллельный импеданс | 200 Ом ± 30% |
Максимальное рабочее напряжение (импульс - 2% рабочего цикла) | 1800VP-P |
Рабочая Температура | -20 ~ 70℃ |
Температура хранения | -40 ~ 85℃ |
Уровень защиты | IP65 |
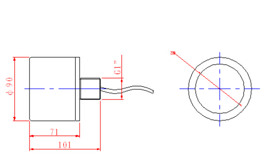
Размер (диаметр * высота, мм) | Φ90x103 |
Монтаж | Исправлено винтом |
Материал корпуса | ПВХ |
Длинна кабеля | 3 м (можно настроить) |
Масса | 1.5кг |
Фото:
Определение измерения :
Кривая частоты:
Частота-Угол фазы Изгиб:
Тест на чувствительность:
Передача напряжения:400VP-P; период:50; Расстояние: 1.5M
Dнеректирование Изгиб:
Особенности ультразвуковых датчиков:
1. Большой размер и легкий вес
2 Высокая чувствительность и высокое звуковое давление
3. Потребление мощности
4. Высокая надежность
Характеристика:
1. Уточняющий вид с подобием (внешняя ПВХ покрытие)
2. Подготовительная резьба (G1 \")
Заявление:
1. Расположение положения
2. Соответствие измерения
3. Тратфическое измерение
4. Проводящие препятствия
Ультразвуковой датчик 30 кГц для измерения дистанции 20 м.
Введение:
PH30F0620 Ультразвуковой датчик имеет функции передатчика и приемника. Это тип дальнего расстояния, как правило, можно использовать для искателя ультразвукового диапазона, ультразвукового датчика для неконтактных объектов, ультразвукового датчика расстояния, датчика ультразвукового уровня жидкости и т. Д. Если у вас есть какие-либо вопросы для других приложений, свяжитесь с нами для получения подробной информации.
Технические параметры:
Модель | PH30F0620 |
Центральная резонансная частота (кГц) | 30КГц ± 2,0 кГц |
Пропускная способность | 3.0 кГц |
Расстояние обнаружения | 06~20M |
Слепые зоны | <06m |
Луч угла запуска (полное угол -6 дБ) | 14 ± 2 ° |
Чувствительный | -65дБ мин |
Электростатическая емкость | 7000pf ± 20% |
Минимальный параллельный импеданс | 200 Ом ± 30% |
Максимальное рабочее напряжение (импульс - 2% рабочего цикла) | 1800VP-P |
Рабочая Температура | -20 ~ 70℃ |
Температура хранения | -40 ~ 85℃ |
Уровень защиты | IP65 |
Размер (диаметр * высота, мм) | Φ90x103 |
Монтаж | Исправлено винтом |
Материал корпуса | ПВХ |
Длинна кабеля | 3 м (можно настроить) |
Масса | 1.5кг |
Фото:
Определение измерения :
Кривая частоты:
Частота-Угол фазы Изгиб:
Тест на чувствительность:
Передача напряжения:400VP-P; период:50; Расстояние: 1.5M
Dнеректирование Изгиб:
Особенности ультразвуковых датчиков:
1. Большой размер и легкий вес
2 Высокая чувствительность и высокое звуковое давление
3. Потребление мощности
4. Высокая надежность
Характеристика:
1. Уточняющий вид с подобием (внешняя ПВХ покрытие)
2. Подготовительная резьба (G1 \")
Заявление:
1. Расположение положения
2. Соответствие измерения
3. Тратфическое измерение
4. Проводящие препятствия