Piezo Hannas (WuHan) Tech Co,.Ltd .- Профессиональный пьезокерамический поставщик элементов
продукты
Вы здесь: Дом / Товары / Ультразвуковые преобразователи / Преобразователь для газового счетчика / Ультразвуковой преобразователь из нержавеющей стали 200 кГц для ультразвукового расходомера газа
Высокочастотные оптовые продукты для производителей и заводов:

Обратная связь

loading

Поделиться с:
sharethis sharing button

Ультразвуковой преобразователь из нержавеющей стали 200 кГц для ультразвукового расходомера газа

Ультразвуковой датчик для ультразвукового газового расхода, датчика ультразвукового анемометра
штат:
Количество:
  • PHA-200-01VG

  • Piezohannas

  • PHA-200-01VG

Ультразвуковой преобразователь из нержавеющей стали 200 кГц для ультразвукового газометра


Предметы

Технические параметры

Изображение

Имя

200 кГц Ультразвуковой датчик

1pgb (] 0rgnw0 [do7tyh`v@s  

S [9x%rdw7oi}%re8sznc] 1  

Модель

PHA-200-01VG     

Частота

200 кГц ± 5%

Расстояние обнаружения

0.101,5 м

Минимум

Параллельный LMpedance

660 Ом ± 20

Емкость

570pf ± 20@1 кГц

 

Чувствительность

Напряжение за рулем800vppРасстояние:0,3м

Эхо -амплитуда35 мВ

Работа

Напряжение

Вершина горы  Напряжение1000 VPP

Работа

Температура

-40+80 ℃

Давление

≤1Килограммы или 0,1 МПа

 

Угол

(Продолжительность пучка) Ширина луча полуосновной@-3db: 7,2 ° ± 2

Резкий угол:17,1 ° ± 4

Корпус Материал

композитный материал

 

Применение

анеморумометр, газовый проток

Монтаж

Измерение

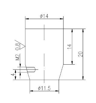
Смотрите диаграмму структуры

Уровень защиты

IP68

Масса

14 г ± 5% (Длина25 см

Инструкции по проводке

Интегрированный тип: красный+, белый , черный: экранированный проволока ; Датчик температуры необязательно

 

Кривая допуска

Структура продукта

J9j71t83vi $ qqk@] uq2gj2  

 

V2) 2m0} b6v $ j5p%ns] 3ehc7


Блок -схема ультразвукового преобразователя :


0ryjg8d (6_Q9xm%86pdg


Схематическая схема датчика температуры:


O3`1pa5yr5%z5`dq1r



Интегрированный Тип кабельной инструкции:     :

1. Проводная инструкция преобразователя: интерфейс (3PIN, 2,54 мм терминал)

Красный: датчик +     

Белый: преобразователь -         

Черный: экранирование


4WWFPPDRJ7 (ES327D247


предыдущий: 
следующий: 

Горячие продукты

Piezo Hannas (WuHan) Tech Co,.Ltd - это профессиональная пьезоэлектрическая керамика и производитель ультразвуковых преобразователей, посвященный ультразвуковым технологиям и промышленным приложениям.

СВЯЖИТЕСЬ С НАМИ

Добавить: № 456 Wu Luo Road, район Вучан, город Ухан, провинция Хубей, Китай.
Эл. адрес:sales@piezohannas.com
Тел: +86 27 84898868
Телефон: +86 +18986196674
QQ: 1553242848
Skype: Live: Mary_14398
Copyright 2017  Piezo Hannas (WuHan) Tech Co,.Ltd.All rights reserved.
Товары