Piezo Hannas (WuHan) Tech Co,.Ltd .- Профессиональный пьезокерамический поставщик элементов
продукты
Вы здесь: Дом / Товары / Ультразвуковые преобразователи / Преобразователь для расходомера / Ультразвуковой преобразователь 1 МГц для теплосчетчика
Высокочастотные оптовые продукты для производителей и заводов:

Обратная связь

Связанные новости

Содержание пуста!

loading

Поделиться с:
sharethis sharing button

Ультразвуковой преобразователь 1 МГц для теплосчетчика

Ультразвуковой датчик для различных частотных потоков, тепловой метр
штат:
Количество:
  • PH1000KC

  • Piezohannas

  • PH1000KC


 

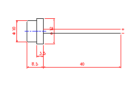
Модель

Ph1000KC

Центр рабочей частота (кГц)

1,0 МГц ± 5%

Пропускная способность

10%

Комплексная чувствительность:

3 VP-P;  Цикл: 8;  расстояние:6см  (передатчик и получитьr)

> 80 МВ

Угол луча (-3dbfull algen)

9 °

EЛетростатическая способность

400pf ± 20%

Минимальное параллельное сопротивление

500 Ом ± 30%

Максимальное рабочее напряжение

(Пульс Соотношение рабочего цикла  2%)

200 В.

Рабочая Температура

0 ~ 95 ℃

Максимальное давление

1.6MPA

Материал жилья

Ппс

Класс защиты

IP68


Изображение:


F} vbcwtj] 25tmadhcz7b (} y.pngFxgqsw@i6) w}} ​​0 (8k5] dy6.png


Общее сопротивление - фазовая кривая:                             



 

B {8 (e $ im393) 0j} fw`t (_dt.png


 Комплексная чувствительность:       

                           

3 VP-P;  цикл:50;  расстояние:6см


 

 

[[X89b]) 9z0ujhlc``so2v.png


 

 



предыдущий: 
следующий: 

Горячие продукты

Piezo Hannas (WuHan) Tech Co,.Ltd - это профессиональная пьезоэлектрическая керамика и производитель ультразвуковых преобразователей, посвященный ультразвуковым технологиям и промышленным приложениям.

СВЯЖИТЕСЬ С НАМИ

Добавить: № 456 Wu Luo Road, район Вучан, город Ухан, провинция Хубей, Китай.
Эл. адрес:sales@piezohannas.com
Тел: +86 27 84898868
Телефон: +86 +18986196674
QQ: 1553242848
Skype: Live: Mary_14398
Copyright 2017  Piezo Hannas (WuHan) Tech Co,.Ltd.All rights reserved.
Товары