Piezo Hannas (WuHan) Tech Co,.Ltd .- Профессиональный пьезокерамический поставщик элементов
продукты
Вы здесь: Дом / Товары / Ультразвуковые преобразователи / Преобразователь для газового счетчика / Ультразвуковой преобразователь 200 кГц для измерения природного газа
Высокочастотные оптовые продукты для производителей и заводов:

Обратная связь

loading

Поделиться с:
sharethis sharing button

Ультразвуковой преобразователь 200 кГц для измерения природного газа

Для тестирования расхода и потока различных газов
штат:
Количество:
  • PH200A1

  • Piezohannas

  • PH200A1

       Ультразвуковой датчик 200 кГц для измерения природного газа


Основное приложение: Для тестирования расхода и потока различных газов

                                     

 Функции:

               

Небольшой размер для легкой установки

                                                                                     

Высокая чувствительность, широкополосная достоинство и высокая точность теста

                                                                                       

Коррозионное сопротивление и длительный срок службы


Ультразвуковой преобразователь 200 кГц для расхода потока природного газаWYII%LW9X45U%669B0QG


Вещь

Технические характеристики

вещь

Технические характеристики

Имя

Газовый преобразователь

Рабочая температура (℃)

-20 ~ 70 ℃

тип

Ph200A1

Экологическое давление (МПа)

<0,3

ЧастотаF (кГц)

200 кГц ± 4%

Класс защиты

IP65

пропускная способность △ f

± 5%

Устойчивость к коррозии

Устойчивый к природному газу, слабым кислотам, слабым основаниям

Комплексная чувствительность (DB)

(0DB = 15VP-P*120 мм)

> 1,5 В.

Кабельные спецификации

Тефлоновый провод 0,2 мм

Угол луча (°)

12

Интерфейс сигнала

сварка

Электростатическая емкость (PF)

2000pf ± 20%



Impedancez (ω)

250 Ом ± 30%

Масса(грамм)

3.5

Максимальное рабочее напряжение  Пульсная волнаРаботник  2%

100 В



Примечание

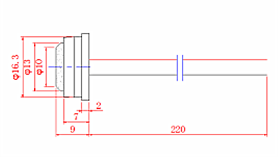
преобразователь  Размер структуры может быть настроен в соответствии с потребностями пользователей.



Частотная фаза кривая    

RWP728IH35E5NLLZ) 16IJ


 Чувствительность тест

G_UQ8S9GQX57BD3UOB_0K


предыдущий: 
следующий: 

Горячие продукты

Piezo Hannas (WuHan) Tech Co,.Ltd - это профессиональная пьезоэлектрическая керамика и производитель ультразвуковых преобразователей, посвященный ультразвуковым технологиям и промышленным приложениям.

СВЯЖИТЕСЬ С НАМИ

Добавить: № 456 Wu Luo Road, район Вучан, город Ухан, провинция Хубей, Китай.
Эл. адрес:sales@piezohannas.com
Тел: +86 27 84898868
Телефон: +86 +18986196674
QQ: 1553242848
Skype: Live: Mary_14398
Copyright 2017  Piezo Hannas (WuHan) Tech Co,.Ltd.All rights reserved.
Товары