Piezo Hannas (WuHan) Tech Co,.Ltd .- Профессиональный пьезокерамический поставщик элементов
продукты
Вы здесь: Дом / Товары / Ультразвуковые преобразователи / Датчик глубины / Эффект Доплера 2 МГц ADCP пьезоэлектрические преобразователи акустические преобразователи
Высокочастотные оптовые продукты для производителей и заводов:

Обратная связь

Связанные новости

Содержание пуста!

loading

Поделиться с:
sharethis sharing button

Эффект Доплера 2 МГц ADCP пьезоэлектрические преобразователи акустические преобразователи

Применение: акустический допплеровский ток профилировщиков (ADCP)


Акустический допплеровский профилировщик тока (ADCP) представляет собой измеритель гидроакустического тока, аналогичный сонару, используемый для измерения скоростей тока воды в диапазоне глубины, используя эффект допплера звуковых волн, разбросанных обратно от частиц в рамках толщины воды.
штат:
Количество:
  • PHW-2M-01T

  • Piezohannas

  • PHW-2M-01T

Эффект доплеровского эффекта 2 МГц ADCP пьезоэлектрические преобразователи акустические преобразователи

 

 1 Введение

 

Акустический допплеровский профилировщик тока (ADCP) представляет собой измеритель гидроакустического тока, аналогичный сонару, используемый для измерения скоростей тока воды в диапазоне глубины, используя эффект допплера звуковых волн, разбросанных обратно от частиц в рамках толщины воды. 


Акустический допплеровский профилировщик (ADCP) измеряет океанские токи с использованием принципа сдвига доплеровского доплера. По мере того, как поезд становится ближе, свисток становится выше. Когда поезд уходит, свисток становится ниже. Изменение шага пропорционально скорости поезда.


ADCP следует предпосылке эффекта допплера. Он излучает ряд высокочастотных импульсов звука, которые отскочили от движущихся частиц в воде. Если частица уходит от прибора, сигнал возврата находится на более низкой частоте. Если частица движется к прибору, сигнал возврата находится на более высокой частоте. Поскольку частицы движутся с той же скоростью, что и вода, которая их несет, можно определить скорость тока воды.




2. Технические параметры:


Предметы

Технические параметры

Изображение

Имя

ADCPультразвуковой преобразователь 

Fz0wsb0 (xh`mjnsnu8@5c8f  

S9u2 {e4_ro7jrp7@tg (} 2  

Модель

PhW-2m-01t

Частота

2 МГц±5%

Расстояние обнаружения

0032m

Минимум

Параллельный LMpedance

3.5Ω ± 20

Емкость

5600pf ± 20@1 кГц

 

Чувствительность

Излучающее напряжение: 24vpp , Расстояние: 0,3 млн , эхо -амплитуда: 4,5 В.

Работа

Напряжение

Вершина горы  Напряжение< 150vpp

Работа

Температура

-40+80 ℃

Давление

≤3Килограммы или 0,3 МПа

 

Угол

(Продолжительность пучка) Ширина луча с половиной мощности@-3db: 2 ° ± 0,5 ,

Острый угол: 5 ° ± 1

Корпус  Материал

композитный материал

 

Применение

Профилировщики тока акустического допплера(ADCP)

Монтаж

Измерение

Смотрите рисунок структуры продукта

Уровень защиты

IP68

Масса

11.5G ± 5(Длина: 1m)

Инструкции по проводке

       Красный+, белый , черный: экранированный провод ;

(без Датчик температуры по умолчанию)

Кривая допуска

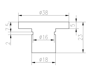
Структура продукта

 

Ha303elw $ krl (0@o] 6c_l) x  

127q@1dj [$ rmxi $ [8V@1@$ e


 

 




3. Схема датчика температуры схема датчика, схема тестовой схемы схема





0) bspbppja {p`6ks@w0d $ dd

 


предыдущий: 
следующий: 

Горячие продукты

Piezo Hannas (WuHan) Tech Co,.Ltd - это профессиональная пьезоэлектрическая керамика и производитель ультразвуковых преобразователей, посвященный ультразвуковым технологиям и промышленным приложениям.

СВЯЖИТЕСЬ С НАМИ

Добавить: № 456 Wu Luo Road, район Вучан, город Ухан, провинция Хубей, Китай.
Эл. адрес:sales@piezohannas.com
Тел: +86 27 84898868
Телефон: +86 +18986196674
QQ: 1553242848
Skype: Live: Mary_14398
Copyright 2017  Piezo Hannas (WuHan) Tech Co,.Ltd.All rights reserved.
Товары