Piezo Hannas (WuHan) Tech Co,.Ltd .- Профессиональный пьезокерамический поставщик элементов
продукты
Вы здесь: Дом / Товары / Ультразвуковые преобразователи / Преобразователь для расходомера / 1,2 МГц латунный ультразвуковой датчик ультразвуковой датчик расходомера
Высокочастотные оптовые продукты для производителей и заводов:

Обратная связь

loading

Поделиться с:
sharethis sharing button

1,2 МГц латунный ультразвуковой датчик ультразвуковой датчик расходомера

штат:
Количество:
  • PH001200MQB

  • Piezohannas

  • PH001200MQB

   1,2 МГц латунный ультразвуковой датчик ультразвуковой транс -датчик потока



технические параметры:

 


Модель

PH001200MQB

Центральная резонансная частота (кГц)

1,2 МГц ± 5%

 частота полоса пропускания

± 0,1 МГц

Луч угла запуска (-3ДБ полный угол)

8 ± 2 °

 Интегрированная чувствительность (0 дБ = 3 VP-P Perio

-34DB мин

Электростатическая емкость

1000pf ± 20%

Минимальный параллельный импеданс

130 Ом ± 30%

Максимальное рабочее напряжение (импульс - 2% рабочего цикла)

150V

Рабочая Температура

0~ 95 ℃

Уровень защиты

IP68

MWP (максимальное рабочее давление)

1,6 МПа

Жилищный материал

латунь



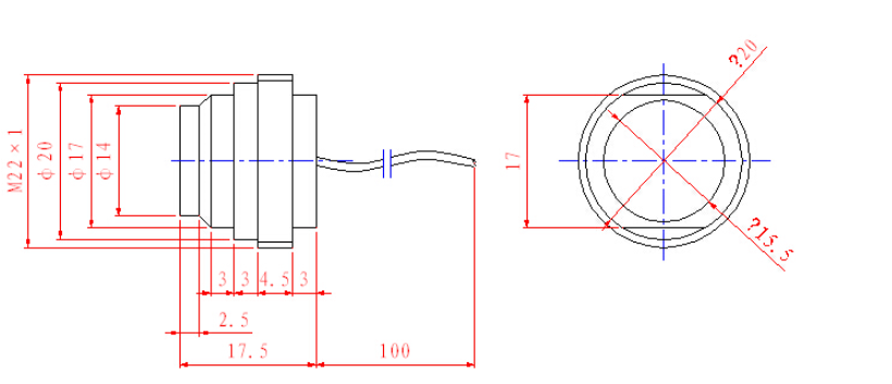
Изображение:

1,2 МГц ультразвуковой датчик потока

 

Определение измерения :

MW8ZIR] C%) 3Q997] 7_TY32


Частота  Изгиб


Xz7o} n6 $ dy9bd81f893tqfq


ЧастотаКривая угла


2 [{q@ekjq4kgb7ta%s5nv6m


Интегрированная чувствительность:


Отправка напряжения: 3 VP-P ; Период: 8, расстояние : 4 см.


 

Fzn3] 3AFH%__ 57%ILT6WG (i

 


предыдущий: 
следующий: 

Горячие продукты

Piezo Hannas (WuHan) Tech Co,.Ltd - это профессиональная пьезоэлектрическая керамика и производитель ультразвуковых преобразователей, посвященный ультразвуковым технологиям и промышленным приложениям.

СВЯЖИТЕСЬ С НАМИ

Добавить: № 456 Wu Luo Road, район Вучан, город Ухан, провинция Хубей, Китай.
Эл. адрес:sales@piezohannas.com
Тел: +86 27 84898868
Телефон: +86 +18986196674
QQ: 1553242848
Skype: Live: Mary_14398
Copyright 2017  Piezo Hannas (WuHan) Tech Co,.Ltd.All rights reserved.
Товары