Piezo Hannas (WuHan) Tech Co,.Ltd .- Профессиональный пьезокерамический поставщик элементов
продукты
Вы здесь: Дом / Товары / Ультразвуковые преобразователи / Датчик расстояния / 200 кГц высокочастотный ультразвуковой датчик расстояния для ультразвукового датчика ветра
Высокочастотные оптовые продукты для производителей и заводов:

Обратная связь

loading

Поделиться с:
sharethis sharing button

200 кГц высокочастотный ультразвуковой датчик расстояния для ультразвукового датчика ветра

200 кГц | 30 ° | 0,1 ~ 1M | Используется для ультразвукового датчика ветра для ультразвукового анемометра для разумного измерения скорости и направления ветра, широко используется в метеорологическом мониторинге, мостах, туннеле, шахте и моряках и т. Д.


Что касается ультразвукового датчика на расстояние, мы можем предложить 14 кГц 22 кГц 40 кГц 50 кГц 75 кГц 80 кГц 125 кГц 200 кГц 300 кГц 400 кГц. Показывайте резонансную частоту, также мы можем прибить настройку.
штат:
Количество:
  • PH200F011

  • Piezohannas

  • PH200F011

 

Введение:

 

PH200F011 имеет функции передатчика и приемника. Обычно он может использоваться для ультразвукового датчика ветра для ультразвукового анемометра для разумного измерения скорости и направления ветра, широко использоваться в метеорологическом мониторинге, мостах, туннеле, шахте и моряках и т. Д. Вопросы для других приложений, пожалуйста, свяжитесь с нами для получения подробной информации.



технические параметры


Вещь

Параметр

Строительство

Высокая частота

Использование метода

Приемник и передатчик (двойное использование)

Номинальная частота

200.0±8,0 кГц

Пропускная способность

20,0 кГц

Чувствительность

-80DB мин.

Мин Параллельное сопротивление

600Ω ±30%

Емкость

400pf±20%

Максимум. Входное напряжение

500VP-P

Направленность

30° ±2°(-6db)

Расстояние обнаружения

0.11M

Уровень защиты

IP68

Рабочая Температура

-20+80

Температура хранения

-40+85

Материал покрытия

Нержавеющая сталь




Определение измерения :


6 {] v204j4q {pmuk}} otkla.png

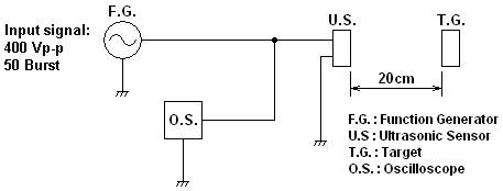
Тестовая цепь :



@F0xjdm4%`@oor5epmaag.png

 

 

Особенности ультразвуковых датчиков:

 

1Небольшой размер и легкий вес

Высокая чувствительность и высокое звуковое давление

3.Низкое энергопотребление

4СрокаH надежность

 





предыдущий: 
следующий: 

Горячие продукты

Piezo Hannas (WuHan) Tech Co,.Ltd - это профессиональная пьезоэлектрическая керамика и производитель ультразвуковых преобразователей, посвященный ультразвуковым технологиям и промышленным приложениям.

СВЯЖИТЕСЬ С НАМИ

Добавить: № 456 Wu Luo Road, район Вучан, город Ухан, провинция Хубей, Китай.
Эл. адрес:sales@piezohannas.com
Тел: +86 27 84898868
Телефон: +86 +18986196674
QQ: 1553242848
Skype: Live: Mary_14398
Copyright 2017  Piezo Hannas (WuHan) Tech Co,.Ltd.All rights reserved.
Товары