| штат: | |
|---|---|
| Количество: | |
PHW-1M-01LB
Piezohannas
PHW-1M-01LB
1 МГц антикоррозия подводного ультразвукового преобразователя для ультразвукового потока.
1 Введение
Underwater sanderпреобразователь Использование ультразвуковые волны до передачи под водой и отражается, когда Oни встретить измеренный объект. Он может обнаружить расстояние между датчиком и измеренным объектом и тогда передает На корабли, буи, подводные беспилотные воздушные транспортные средства и т. Д. В качестве оправдателя глубины его также можно использовать для измерения подводного расстояния.
Уровень защиты продукта достигает уровня IP68, и он может быть пропитана в течение длительного времени под водой 100 метров без повреждений.(Обратите внимание, что часть прибора для кабеля должна быть надежно запечатана после проводки, чтобы избежать воды)
2. Технические параметры:
Предметы | Технические параметры | Изображение | |
Имя | 1 МГц антикоррозия Подводный ультразвук преобразователь |
| |
Модель | PhW-1M-01LB | ||
Частота | 1 МГц±5% | ||
Расстояние обнаружения | 005~3m | ||
Минимум Параллельный LMpedance | 220 Ом ± 20% | ||
1300pf ± 20%@1 кГц | |||
Чувствительность | Напряжение за рулем: 24vpp 、 Расстояние: 0,3 м 、 Эхо -амплитуда : 150 мВ | ||
Вершина горы Напряжение< 300vpp | |||
-40~+80 ℃ | |||
≤3Килограммы или 0,3 МПа | |||
| (Продолжительность пучка)Ширина луча с половиной мощности@-3db: 4,5 ° ± 1 , Острый угол: 10,5 ° ± 4 | ||
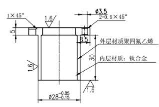
Корпус Материал | Ptef и титановый сплав | ||
Применение | Ультразвуковая платная схема , подводной диапазон искатель диапазона | ||
Смотрите рисунок структуры продукта | |||
Уровень защиты | IP68 | ||
Масса | 80G ± 5%(Длина : 2м) | ||
Инструкции по проводке | Интегрированный тип: красный+, белый-черный: экранированный провод ; (без Датчик температуры по умолчанию) | ||
Кривая допуска | Структура продукта | ||
| |||
3. Схема датчика температуры схема датчика, схема тестовой схемы схема
1 МГц антикоррозия подводного ультразвукового преобразователя для ультразвукового потока.
1 Введение
Underwater sanderпреобразователь Использование ультразвуковые волны до передачи под водой и отражается, когда Oни встретить измеренный объект. Он может обнаружить расстояние между датчиком и измеренным объектом и тогда передает На корабли, буи, подводные беспилотные воздушные транспортные средства и т. Д. В качестве оправдателя глубины его также можно использовать для измерения подводного расстояния.
Уровень защиты продукта достигает уровня IP68, и он может быть пропитана в течение длительного времени под водой 100 метров без повреждений.(Обратите внимание, что часть прибора для кабеля должна быть надежно запечатана после проводки, чтобы избежать воды)
2. Технические параметры:
Предметы | Технические параметры | Изображение | |
Имя | 1 МГц антикоррозия Подводный ультразвук преобразователь |
| |
Модель | PhW-1M-01LB | ||
Частота | 1 МГц±5% | ||
Расстояние обнаружения | 005~3m | ||
Минимум Параллельный LMpedance | 220 Ом ± 20% | ||
1300pf ± 20%@1 кГц | |||
Чувствительность | Напряжение за рулем: 24vpp 、 Расстояние: 0,3 м 、 Эхо -амплитуда : 150 мВ | ||
Вершина горы Напряжение< 300vpp | |||
-40~+80 ℃ | |||
≤3Килограммы или 0,3 МПа | |||
| (Продолжительность пучка)Ширина луча с половиной мощности@-3db: 4,5 ° ± 1 , Острый угол: 10,5 ° ± 4 | ||
Корпус Материал | Ptef и титановый сплав | ||
Применение | Ультразвуковая платная схема , подводной диапазон искатель диапазона | ||
Смотрите рисунок структуры продукта | |||
Уровень защиты | IP68 | ||
Масса | 80G ± 5%(Длина : 2м) | ||
Инструкции по проводке | Интегрированный тип: красный+, белый-черный: экранированный провод ; (без Датчик температуры по умолчанию) | ||
Кривая допуска | Структура продукта | ||
| |||
3. Схема датчика температуры схема датчика, схема тестовой схемы схема