Piezo Hannas (WuHan) Tech Co,.Ltd .- Профессиональный пьезокерамический поставщик элементов
продукты
Вы здесь: Дом / Товары / Ультразвуковые преобразователи / Преобразователь для расходомера / Зажим 4 МГц на внешних пьезоэлектрических ультразвуковых преобразователях для расходомера воды
Высокочастотные оптовые продукты для производителей и заводов:

Обратная связь

loading

Поделиться с:
sharethis sharing button

Зажим 4 МГц на внешних пьезоэлектрических ультразвуковых преобразователях для расходомера воды

Ультразвуковые датчики ультразвуковых преобразователей 4 МГц, которые не контактируют с водой (зажим в трубе)
штат:
Количество:
  • PHW-4M-01B

  • Piezohannas

  • PHW-4M-01B

4 МГц зажима на внешних пьезовых ультразвуковых преобразователях для расхода воды 


4 МГц зажима на внешних пьезовых ультразвуковых преобразователях для расхода воды

 


технические параметры:

 

Предметы

Технические параметры

Изображение

Имя

4МГц  Ультразвуковой датчик

 

Xomwx14`wt4tshnpf  

Модель

PhW-4m-01b

Частота

4МГц±5%

Минимум

Параллельный LMpedance

85Ω ±20

Емкость

800пф±20@1 кГц

 

Чувствительность

нет загрузки  Напряжение за рулем50Vполучение и передача

8 -миллиметровая воздушная труба,Получение амплитуды  150 мV

Работа

Напряжение

Вершина горы  Напряжение75Vpp

Работа

Температура

-40+80

Давление

10Килограммы или1mpa

Корпус  Материал

ПИ

 

Применение

переключатель уровня жидкости,расходомер

Монтаж

Измерение

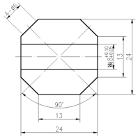
См. Рисунок структуры продукта для деталей

Уровень защиты

IP68

Масса

11.5g±5% (длина10Cm

Инструкции по проводке

     Красный: датчик+, белый: преобразователь, черный: экранированный провод; (Без датчика температуры по умолчанию)

Кривая допуска

Структура продукта

 

3DCIS_K (WK5_`wwqxrda  

L1URS5VG3PU2Z5NE7G1  

7yg69usd8pstc3dn  




 


 



предыдущий: 
следующий: 

Горячие продукты

Piezo Hannas (WuHan) Tech Co,.Ltd - это профессиональная пьезоэлектрическая керамика и производитель ультразвуковых преобразователей, посвященный ультразвуковым технологиям и промышленным приложениям.

СВЯЖИТЕСЬ С НАМИ

Добавить: № 456 Wu Luo Road, район Вучан, город Ухан, провинция Хубей, Китай.
Эл. адрес:sales@piezohannas.com
Тел: +86 27 84898868
Телефон: +86 +18986196674
QQ: 1553242848
Skype: Live: Mary_14398
Copyright 2017  Piezo Hannas (WuHan) Tech Co,.Ltd.All rights reserved.
Товары