| штат: | |
|---|---|
| Количество: | |
PHW-500-AS
Piezohannas
PHW-500-AS
Ультразвуковая глубина из нержавеющей стали 500 кГц для ультразвукового доля датчика
Технические параметры:
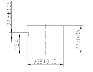
Предметы | Технические параметры | Изображение | |
Имя | 500 кГц подводный датчик глубины |
| |
Модель | PHW-500-AS | ||
Частота | 500 кГц ± 5% | ||
Расстояние обнаружения | 0.30~30 м | ||
Минимальный параллельный LMpedance | 200 Ом ± 20% | ||
1900pf ± 20%@1 кГц | |||
Чувствительность | Напряжение за рулем:23 V、Расстояние: 0,3м、 Эхо -амплитуда: 300 мВ | ||
Вершина горы Напряжение<600vpp | |||
-10~+50 ℃ | |||
(Продолжительность пучка) Ширина луча полуосновной@-3db: 7 ° ± 10%, Острый угол: 15 ° ± 10% | |||
Жилищный материал | 304 | ||
Применение | Подводной дальномер | ||
Проверка диаграммы структуры продукта ниже | |||
Уровень защиты | IP68 | ||
Масса | 52 г ± 5% (Длина:2,5 м) | ||
Инструкции по проводке | Белый:преобразователь+,Черный:преобразователь- | ||
Кривая допуска | Структура продукта | ||
| |||
Блок -схема ультразвукового преобразователя :
Схематическая схема датчика температуры (Модель: MF58_502F3470):
Инструкция кабеля интегрированного типа:
1. Проводная инструкция преобразователя: интерфейс (3PIN, 2,54 мм терминал)
Красный: датчик +
Белый: преобразователь -
Черный: экранирование
2. Крайняя инструкция датчика температуры: раздела (3PIN, 2,0 мм терминал)
Красный и черный - проводка датчика температуры
Тип разделения: стандартный 10 -метровый кабель с каждым дополнительным 50 м кабеля, ослабление сигнала составляет 6 дБ
Трехъядерные инструкции по проводке:
Красный: датчик +
Синий: датчик температуры +
Черный: публичный-
Четырехъядерные инструкции по проводке:
Красный: датчик +
Желтый: преобразователь-
Синий, черный: датчик температуры
Ультразвуковое применение дальнометражного монтажа:
Ультразвуковой датчик искателя диапазона позволяет роботу обнаруживать препятствия на своем пути, используя распространение высокочастотных звуковых волн. Датчик излучает частотную звуковую волну, которая отскакивает от отражающей поверхности и возвращается к датчику. Затем, используя количество времени, необходимого для возврата волны, чтобы вернуться к датчику, может быть рассчитано расстояние до объекта. Чтобы увеличить диапазон зондирования, датчик может быть установлен на сервопривод, чтобы он вращался.
Ультразвуковая глубина из нержавеющей стали 500 кГц для ультразвукового доля датчика
Технические параметры:
Предметы | Технические параметры | Изображение | |
Имя | 500 кГц подводный датчик глубины |
| |
Модель | PHW-500-AS | ||
Частота | 500 кГц ± 5% | ||
Расстояние обнаружения | 0.30~30 м | ||
Минимальный параллельный LMpedance | 200 Ом ± 20% | ||
1900pf ± 20%@1 кГц | |||
Чувствительность | Напряжение за рулем:23 V、Расстояние: 0,3м、 Эхо -амплитуда: 300 мВ | ||
Вершина горы Напряжение<600vpp | |||
-10~+50 ℃ | |||
(Продолжительность пучка) Ширина луча полуосновной@-3db: 7 ° ± 10%, Острый угол: 15 ° ± 10% | |||
Жилищный материал | 304 | ||
Применение | Подводной дальномер | ||
Проверка диаграммы структуры продукта ниже | |||
Уровень защиты | IP68 | ||
Масса | 52 г ± 5% (Длина:2,5 м) | ||
Инструкции по проводке | Белый:преобразователь+,Черный:преобразователь- | ||
Кривая допуска | Структура продукта | ||
| |||
Блок -схема ультразвукового преобразователя :
Схематическая схема датчика температуры (Модель: MF58_502F3470):
Инструкция кабеля интегрированного типа:
1. Проводная инструкция преобразователя: интерфейс (3PIN, 2,54 мм терминал)
Красный: датчик +
Белый: преобразователь -
Черный: экранирование
2. Крайняя инструкция датчика температуры: раздела (3PIN, 2,0 мм терминал)
Красный и черный - проводка датчика температуры
Тип разделения: стандартный 10 -метровый кабель с каждым дополнительным 50 м кабеля, ослабление сигнала составляет 6 дБ
Трехъядерные инструкции по проводке:
Красный: датчик +
Синий: датчик температуры +
Черный: публичный-
Четырехъядерные инструкции по проводке:
Красный: датчик +
Желтый: преобразователь-
Синий, черный: датчик температуры
Ультразвуковое применение дальнометражного монтажа:
Ультразвуковой датчик искателя диапазона позволяет роботу обнаруживать препятствия на своем пути, используя распространение высокочастотных звуковых волн. Датчик излучает частотную звуковую волну, которая отскакивает от отражающей поверхности и возвращается к датчику. Затем, используя количество времени, необходимого для возврата волны, чтобы вернуться к датчику, может быть рассчитано расстояние до объекта. Чтобы увеличить диапазон зондирования, датчик может быть установлен на сервопривод, чтобы он вращался.