Piezo Hannas (WuHan) Tech Co,.Ltd .- Профессиональный пьезокерамический поставщик элементов
Новости
Вы здесь: Дом / Новости / Ультразвуковая информация о преобразователе / Исследование автоматической системы управления уровнями, разработанной ультразвуковым датчиком

Исследование автоматической системы управления уровнями, разработанной ультразвуковым датчиком

Просмотры:0     Автор:Pедактор сайта     Время публикации: 2020-07-17      Происхождение:Работает

Запрос цены

facebook sharing button
twitter sharing button
line sharing button
wechat sharing button
linkedin sharing button
pinterest sharing button
whatsapp sharing button
sharethis sharing button

Обзор системной функции и блок -схема

В этой конструкции используется однопоточный микрокомпьютер MCS-51 в сочетании с цифровым чипом и аналогой для завершения обнаружения и автоматического управления уровнем воды. ОсноваУльтразвуковые детали датчикакоторый хост устанавливает уровень жидкости себя и подчиненного через клавиатуру, ультразвуковой датчик измеряет значение напряжения, соответствующее текущему уровню воды, а затем отправляет его на контроллер и сравнивается с установленным значением через аналого-цифровой преобразование, а однохипский компьютер управляет соленоидным клапаном регулирует уровень жидкости хоста и отображает установленное значение и текущее значение на ЖК-дисплее; Контроллер хоста передает установленное значение подчиненному контроллеру через 485 коммуникации, а контроллер подчиненного также может управлять уровнем жидкости, как контроллер хоста, и отображать установленное значение и токовое значение уровня жидкости хоста через ЖК -дисплей; и используйте 485 коммуникации, чтобы отправить текущий уровень жидкости рабов на хост и отобразить его.

Система состоит из модуля обработки данных системы микрокомпьютера с одним чип-микрокомпьютером, модуля ввода данных A/D, модуля связи 485, модуля управления уровнем жидкости и сигнализации, клавиатуры и отображения. Демонстрация и сравнение схемы рассмотрим требования системы. В процессе выбора устройства основное внимание уделяется выборуУльтразвуковой датчик уровня жидкостии аналог в цифровых конверсионных чипов.

датчик

Во время процесса проектирования системы были отобраны и сравнены следующие три ультразвуковых датчика.

Решение 1: датчик давления

В настоящее время большинство датчиков давления на уровне жидкости представляют собой входные передатчики уровня жидкости, а датчики уровня жидкости входного статического давления могут быть точно измерены со ссылкой на атмосферное давление. Тем не менее, вентиляция в подключении будет влиять окружающая среда, вызывая внутреннюю стенку конденсации трахеи, конденсацию. Деу падает на электронные устройства, а датчики могут повлиять на точность или выходной дрейф. В то же время, если конденсация слишком быстрая, срок службы передатчика будет значительно сокращен. На этот датчик давления легко влияет окружающая среда, вызывает неточное измерение, и это неудобно.

Вариант 2: Пьезорезистивный датчик давления

Пьезорезистивный датчик использует процесс интегрированной цепи, чтобы напрямую сделать диффузный вариант на кремниевой плоской диафрагме в определенной ориентации кристаллов; Кремниевая плоская диафрагма обладает хорошими упругими свойствами, когда она слегка деформирована. Когда кремниевая пластина нажимается, деформация диафрагмы приводит к изменению сопротивления диффузионного резистора; На этот вариант легко влияет внешняя среда, такая как температура, что приводит к неточному измерению, и объем, как правило, большой, его нелегко установить и не легко переносить; Как правило, его точность относительно низкая. Это не может удовлетворить потребности дизайна.

Решение 3: Ультразвуковой датчик

Ультразвуковой датчик является первым небольшим датчиком с функцией настройки ключей и функцией самодиагностики в отрасли. Хотя он маленький, он имеет функции других больших датчиков. Он прост в установке и использовании и не зависит от цвета измерительного объекта. Он имеет много специальных функций, таких как: Столденное отображение самодиагностика и функция настройки ключей, функция компенсации температуры, которые могут выбрать аналоговое количество или выход переключения и т. Д.; Его напряжение питания составляет 10 ~ 30 В, диапазон измерения составляет 30 мм ~ 300 мм, выходное напряжение составляет 0 В ~ 10 В, выходной ток составляет 4 мА ~ 20 мА, минимальный импеданс нагрузки составляет 2,5 Ом, а точность может достигать 0,5 мм, форма делится в прямой тип и тип прямого угла. Индукционный калибр составляет 18 мм. Ультразвуковой датчик имеет условия, чтобы соответствовать контролю уровня жидкости 0-25 см, необходимых для конструкции, и требование о том, что ошибка уровня жидкости не превышает ± 0,3 см, и решает проблему неудобной установки. Поэтому этот дизайн выбирает ультразвуковой датчик с высокой точностью и небольшим размером.

Конвертер A/D

Точность и производительность используемого конвертера A/D напрямую влияют на точность данных, полученных внутренним микроконтроллером. Здесь мы сравниваем и анализируем следующие два конвертера рекламы.

Решение 1: используйте 8-битный ADC0809 A/D Converter

ADC0809 является обычно используемым 8-битным конвертером A/D, который является последовательным типом приближения. ADC0809 оснащен одним +5 В. Чип содержит 8 аналоговых электронных переключателей с функцией защелки, которая может реагировать на аналоговые напряжения от 0 до +5V 8. Сигнал преобразуется при обмене временем, и для завершения преобразования требуется около 100US, поэтому скорость быстрее, но чип ADC0809 имеет низкое разрешение и недостаточную точность, что не может соответствовать требованиям этой системы и не используется.

Вариант 2: Принять 4 с половиной двойной интегральной конвертеров A/D ICL7135

ICL7135 является широко используемым конвертером A/D, интегральным конвертером A/D с динамическим выводом кода BCD. Его характеристики: Высокая точная, автоматическая выходная передача полярности, автоматическая нулевая калибровка, отдельная работа питания и динамический вывод кода BCD. Поскольку время двойной интеграции метода двойной интеграции является относительно длинным, скорость конверсии A/D является медленной, обычно (от 3 до 10) раз/с. Кроме того, интеграция периодически изменяющегося интерференционного сигнала равен нулю, а производительность противоположных также относительно хороша. В случае той же точности цена ниже, чем в последовательном конверсии типа A/D, поэтому в тех случаях, когда потребность в скорости не высока.

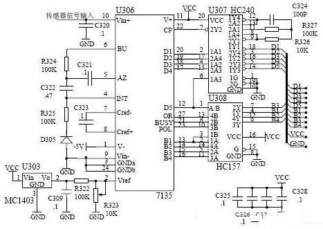
Учитывая требованияУльтразвуковой датчик для измерения расстояния , в этой конструкции используется преобразователь ICL7135 A/D с высокой точностью управления. Hardware Cure и Design Software. Аппаратная схема этой конструкции включает в себя минимальную системную цепь, управление уровнем жидкости и схему тревоги, схему сигнала и схема передачи, клавиатуру и модуль отображения .Minimal System (схема питания и расширение ввода/вывода и стробоскоп). Самая маленькая система платы, используемая в этой конструкции, основана на микроконтроллере 80C52, и она имеет хорошую масштабируемость. ЦП связан с кристаллическим генератором 11.0592 МГц, который в основном состоит из цепи защелки 74LS373, цепь декодирования 74LS138, кнопок, отображаемого устройства, ICL7135 и его периферических типичных цепей и использует 8255 для расширения I/O интерфейс. Минимальная системная схема показана на рисунке 2.


2MKH3` Q1KQL43ID_UZ9XF


Программный дизайн

В программной части в основном используется одно Chip-микрокомпьютер 51 серии в качестве контроллера, выходное напряжение датчика отображается, то значение отобранного образца сравнивается с установленным значением, одно Chip MicroComputer управляет соленоидным клапаном для регулировки уровня жидкости. Хост устанавливает значение для расширения через 485 коммуникации, а контроллер расширения управляет уровнем жидкости удлинения. Часть программного обеспечения включает в себя часть отбора проб ICL7135, 485 Communication Part, Digital Processing Part, Display Part, Pare Part и так далее. Чтобы избежать неточных данных о измерении, вызванных движением ультразвукового датчика для измерения расстояния, особенно добавлена ​​функция регулировки нуля, чтобы еще больше повысить точность системы. Основная программная блок -схема показана на рисунке 4.


) 9mf%89gd7j9 (i'viwr

Экспериментальные результаты и анализ

Требуемое испытательное оборудование представляет собой 4-значный 1/2 высокого уровня цифрового мультиметра, масштаба и 100 м с двумя трассировками цифрового осциллографа.


LX95 %% B1KJQ5QN2H`LTA0


Из приведенных выше данных мы видим, что точность тестовых данных каждой единицы обнаружения системы очень высока, значение отображения жидкости и измеренное значение очень близки к установленному значению, существует линейная связь с выходом датчика Напряжение и определенная пропорциональная связь с весом, оно неразделимо от выбора аппаратного обеспечения и сопоставления его параметров и выбора алгоритмов управления программным обеспечением.


Резюме дизайна

В этой конструкции используется аппаратное обеспечение, такое как ультразвуковой датчик, ICL7135 и другие высокоостренные чипы и инструменты для измерения уровня жидкости, поэтому точность уровня жидкости намного выше, чем требование, чтобы ошибка уровня жидкости не превышала ± 0,3 см. В этом дизайне также используется MAX485 Communication, LCM4X8C Liquid Crystal Display LCD и другие чипы и компоненты, что делает дизайн более в соответствии с фактическими требованиями применения и соответственно уменьшает сложность проектирования программного обеспечения. В программном обеспечении использование стандартизированных методов программирования эффективно снижает пространство для хранения, необходимое для программы. В настоящее время этот субъект в основном используется для обнаружения уровня подземных вод.


Обратная связь
Piezo Hannas (WuHan) Tech Co,.Ltd - это профессиональная пьезоэлектрическая керамика и производитель ультразвуковых преобразователей, посвященный ультразвуковым технологиям и промышленным приложениям.

СВЯЖИТЕСЬ С НАМИ

Добавить: № 456 Wu Luo Road, район Вучан, город Ухан, провинция Хубей, Китай.
Эл. адрес:sales@piezohannas.com
Тел: +86 27 84898868
Телефон: +86 +18986196674
QQ: 1553242848
Skype: Live: Mary_14398
Copyright 2017  Piezo Hannas (WuHan) Tech Co,.Ltd.All rights reserved.
Товары