| штат: | |
|---|---|
| Количество: | |
PHW-300K-12d
Piezohannas
PHW-300K-12D
300 кГц многополовой подводной ультразвуковой преобразователь для ультразвукового потока.
Технические параметры:
Предметы | Технические параметры | Изображение | |
Имя | 300 кГц Многополосный подводной ультразвуковой преобразователь |
| |
Модель | PhW-300K-12d | ||
Частота | 300 кГц ±5% | ||
Минимальный параллельный LMpedance | 150Ω ± 20% | ||
2800PF ± 20%@1 кГц | |||
Чувствительность | dзаклинаниеvолтаж:200Vpp、Расстояние:07m、 Эхо -амплитуда800 мВ | ||
Вершина горы Напряжение<950Vpp | |||
-40~+80 ℃ | |||
≤10Килограммы или 1mpa | |||
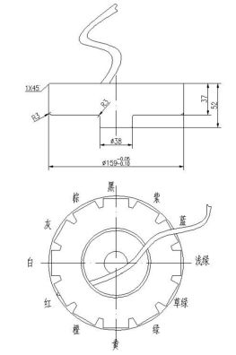
См. Рисунок структуры продукта для деталей | |||
Жилищный материал | АБС | ||
Применение | Ультразвуковой проточный схема, подводной дальномер | ||
Уровень защиты | IP68 | ||
Масса | 1900G ± 5% (длина провода:10m) | ||
Инструкции по проводке | Черный кольт: общий отрицательный полюс преобразователя; Красная Коллета: положительный полюс преобразователя (см. Схему структуры продукта для соответствующего положения); | ||
Кривая допуска | Структура продукта | ||
| |||
Блок -схема ультразвукового преобразователя :
Схематическая схема датчика температуры (Модель: MF58_502F3470):
Инструкция кабеля интегрированного типа:
1. Проводная инструкция преобразователя: интерфейс (3PIN, 2,54 мм терминал)
Красный: датчик +
Белый: преобразователь -
Черный: экранирование
2. Крайняя инструкция датчика температуры: раздела (3PIN, 2,0 мм терминал)
Красный и черный - проводка датчика температуры
Тип разделения: стандартный 10 -метровый кабель с каждым дополнительным 50 м кабеля, ослабление сигнала составляет 6 дБ
Трехъядерные инструкции по проводке:
Красный: датчик +
Синий: датчик температуры +
Черный: публичный-
Четырехъядерные инструкции по проводке:
Красный: датчик +
Желтый: преобразователь-
Синий, черный: датчик температуры
300 кГц многополовой подводной ультразвуковой преобразователь для ультразвукового потока.
Технические параметры:
Предметы | Технические параметры | Изображение | |
Имя | 300 кГц Многополосный подводной ультразвуковой преобразователь |
| |
Модель | PhW-300K-12d | ||
Частота | 300 кГц ±5% | ||
Минимальный параллельный LMpedance | 150Ω ± 20% | ||
2800PF ± 20%@1 кГц | |||
Чувствительность | dзаклинаниеvолтаж:200Vpp、Расстояние:07m、 Эхо -амплитуда800 мВ | ||
Вершина горы Напряжение<950Vpp | |||
-40~+80 ℃ | |||
≤10Килограммы или 1mpa | |||
См. Рисунок структуры продукта для деталей | |||
Жилищный материал | АБС | ||
Применение | Ультразвуковой проточный схема, подводной дальномер | ||
Уровень защиты | IP68 | ||
Масса | 1900G ± 5% (длина провода:10m) | ||
Инструкции по проводке | Черный кольт: общий отрицательный полюс преобразователя; Красная Коллета: положительный полюс преобразователя (см. Схему структуры продукта для соответствующего положения); | ||
Кривая допуска | Структура продукта | ||
| |||
Блок -схема ультразвукового преобразователя :
Схематическая схема датчика температуры (Модель: MF58_502F3470):
Инструкция кабеля интегрированного типа:
1. Проводная инструкция преобразователя: интерфейс (3PIN, 2,54 мм терминал)
Красный: датчик +
Белый: преобразователь -
Черный: экранирование
2. Крайняя инструкция датчика температуры: раздела (3PIN, 2,0 мм терминал)
Красный и черный - проводка датчика температуры
Тип разделения: стандартный 10 -метровый кабель с каждым дополнительным 50 м кабеля, ослабление сигнала составляет 6 дБ
Трехъядерные инструкции по проводке:
Красный: датчик +
Синий: датчик температуры +
Черный: публичный-
Четырехъядерные инструкции по проводке:
Красный: датчик +
Желтый: преобразователь-
Синий, черный: датчик температуры