| штат: | |
|---|---|
| Количество: | |
PHW-1M-01F
Piezohannas
PHW-1M-01F
1 МГц подводной ультразвуковой глубиной
1 Введение
Underwater sanderпреобразователь Использование ультразвуковые волны до передачи под водой и отражается, когда Oни встретить измеренный объект. Он может обнаружить расстояние между датчиком и измеренным объектом и тогда передает На корабли, буи, подводные беспилотные воздушные транспортные средства и т. Д. В качестве оправдателя глубины его также можно использовать для измерения подводного расстояния.
Уровень защиты продукта достигает уровня IP68, и он может быть пропитана в течение длительного времени под водой 100 метров без повреждений.(Обратите внимание, что часть прибора для кабеля должна быть надежно запечатана после проводки, чтобы избежать воды)
2. Технические параметры:
Предметы | Технические параметры | Изображение | |
Имя | 1 МГц плагин под водойультразвуковой преобразователь |
| |
Модель | PHW-1M-01F | ||
Частота | 1 МГц ± 5% | ||
Расстояние обнаружения | 0,05 ~ 3м | ||
Минимум Параллельный LMpedance | 120 Ом ± 20% | ||
1800pf ± 20 % @1 кГц | |||
Чувствительность | Напряжение вождения: 24vpp 、 Расстояние: 0,3 м 、 Эхо -амплитуда : 600 мВ | ||
Вершина горы Voltage< 300vpp | |||
-40 ~+80 ℃ | |||
≤3Килограммы или 0,3 МПа | |||
| (Продолжительность пучка)Ширина луча с половиной мощности@-3db: 5 ° ± 1 , Острый угол: 12 ° ± 2 | ||
Корпус Материал | композитный материал | ||
Применение | Ультразвуковой течет,Подводная лодка искатель | ||
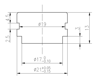
Смотрите рисунок структуры продукта | |||
Уровень защиты | IP68 | ||
Масса | 20 г ± 5 %(Lэн:1M) | ||
Инструкции по проводке | integratЭд тип:Красный+,Белый-,Черный: экранированный; (без Датчик температуры по умолчанию) | ||
Кривая допуска | Структура продукта | ||
| |||
3. Схема датчика температуры схема датчика, схема тестовой схемы схема
1 МГц подводной ультразвуковой глубиной
1 Введение
Underwater sanderпреобразователь Использование ультразвуковые волны до передачи под водой и отражается, когда Oни встретить измеренный объект. Он может обнаружить расстояние между датчиком и измеренным объектом и тогда передает На корабли, буи, подводные беспилотные воздушные транспортные средства и т. Д. В качестве оправдателя глубины его также можно использовать для измерения подводного расстояния.
Уровень защиты продукта достигает уровня IP68, и он может быть пропитана в течение длительного времени под водой 100 метров без повреждений.(Обратите внимание, что часть прибора для кабеля должна быть надежно запечатана после проводки, чтобы избежать воды)
2. Технические параметры:
Предметы | Технические параметры | Изображение | |
Имя | 1 МГц плагин под водойультразвуковой преобразователь |
| |
Модель | PHW-1M-01F | ||
Частота | 1 МГц ± 5% | ||
Расстояние обнаружения | 0,05 ~ 3м | ||
Минимум Параллельный LMpedance | 120 Ом ± 20% | ||
1800pf ± 20 % @1 кГц | |||
Чувствительность | Напряжение вождения: 24vpp 、 Расстояние: 0,3 м 、 Эхо -амплитуда : 600 мВ | ||
Вершина горы Voltage< 300vpp | |||
-40 ~+80 ℃ | |||
≤3Килограммы или 0,3 МПа | |||
| (Продолжительность пучка)Ширина луча с половиной мощности@-3db: 5 ° ± 1 , Острый угол: 12 ° ± 2 | ||
Корпус Материал | композитный материал | ||
Применение | Ультразвуковой течет,Подводная лодка искатель | ||
Смотрите рисунок структуры продукта | |||
Уровень защиты | IP68 | ||
Масса | 20 г ± 5 %(Lэн:1M) | ||
Инструкции по проводке | integratЭд тип:Красный+,Белый-,Черный: экранированный; (без Датчик температуры по умолчанию) | ||
Кривая допуска | Структура продукта | ||
| |||
3. Схема датчика температуры схема датчика, схема тестовой схемы схема