| штат: | |
|---|---|
| Количество: | |
PHW-3,1M-5
Piezohannas
PHW-3.1M-5
3 МГц из нержавеющей стали пьезоэлектрический ультразвуковой преобразователь для ультразвукового потока.
Технические параметры:
Предметы | Технические параметры | Изображение | |
Имя | 3,1 МГц ультразвуковой датчик |
| |
Модель | PhW-3.1М-5 | ||
Частота | 3.1МГц ±5% | ||
Минимальный параллельный LMpedance | 7.5Ω ± 20% | ||
12000PF ± 20%@1 кГц | |||
Чувствительность | dзаклинаниеvолтаж:24 В、Расстояние:03m、Эхо -амплитуда:2.0 V | ||
Вершина горы Напряжение<100Vpp | |||
-40~+80 ℃ | |||
≤10Килограммы или 1mpa | |||
(Продолжительность пучка) Ширина луча полуосновной@-3db:0.8° ±10%, Резкий угол:1.9° ±10% | |||
Жилищный материал | 304 | ||
Применение | Ультразвуковой течет,Подводная лодка искатель | ||
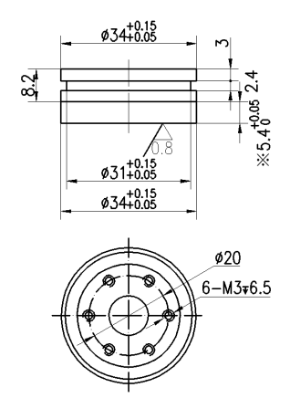
См. Рисунок структуры продукта для деталей | |||
Уровень защиты | IP68 | ||
Масса | 74G ± 5% (длина провода:1m) | ||
Инструкции по проводке | Красный: датчик +, белый: преобразователь -, черный: экранированный провод; ( Датчик температурынеобязательно) | ||
Кривая допуска | Структура продукта | ||
| |||
Блок -схема ультразвукового преобразователя :
Схематическая схема датчика температуры (Модель: MF58_502F3470):
Инструкция кабеля интегрированного типа:
1. Проводная инструкция преобразователя: интерфейс (3PIN, 2,54 мм терминал)
Красный: датчик +
Белый: преобразователь -
Черный: экранирование
2. Крайняя инструкция датчика температуры: раздела (3PIN, 2,0 мм терминал)
Красный и черный - проводка датчика температуры
Тип разделения: стандартный 10 -метровый кабель с каждым дополнительным 50 м кабеля, ослабление сигнала составляет 6 дБ
Трехъядерные инструкции по проводке:
Красный: датчик +
Синий: датчик температуры +
Черный: публичный-
Четырехъядерные инструкции по проводке:
Красный: датчик +
Желтый: преобразователь-
Синий, черный: датчик температуры
Ультразвуковое применение потока:
Ультразвуковые расходомеры воды измеряют скорость жидкости, проходящей через трубу, используя ультразвук, чтобы измерить объемный поток. В ультразвуковом потоке жидкости транзитного времени ультразвуковой сигнал передается в направлении проточной жидкости вниз по течению, а затем направляется другой сигнал против текущей жидкости вверх по течению. В своей основной форме время для прохождения Sonic Pulse по течению сравнивается со временем, когда импульс пройдет вверх по течению. Используя это дифференциальное время, рассчитывается скорость следующей жидкости. Затем счетчик рассчитывает объемную скорость потока в трубе, используя эту скорость жидкости. Кроме того, измерение энергии BTU может быть получено из объемной скорости потока и разности температур между горячими и холодными ногами. Ультразвуковые счетчики зажима могут измерять воду извне трубы, стреляя импульсам звука через стены трубы, что имеет гибкость нанесения и делает их подходящими для измерений потока воды в больших трубах.
3 МГц из нержавеющей стали пьезоэлектрический ультразвуковой преобразователь для ультразвукового потока.
Технические параметры:
Предметы | Технические параметры | Изображение | |
Имя | 3,1 МГц ультразвуковой датчик |
| |
Модель | PhW-3.1М-5 | ||
Частота | 3.1МГц ±5% | ||
Минимальный параллельный LMpedance | 7.5Ω ± 20% | ||
12000PF ± 20%@1 кГц | |||
Чувствительность | dзаклинаниеvолтаж:24 В、Расстояние:03m、Эхо -амплитуда:2.0 V | ||
Вершина горы Напряжение<100Vpp | |||
-40~+80 ℃ | |||
≤10Килограммы или 1mpa | |||
(Продолжительность пучка) Ширина луча полуосновной@-3db:0.8° ±10%, Резкий угол:1.9° ±10% | |||
Жилищный материал | 304 | ||
Применение | Ультразвуковой течет,Подводная лодка искатель | ||
См. Рисунок структуры продукта для деталей | |||
Уровень защиты | IP68 | ||
Масса | 74G ± 5% (длина провода:1m) | ||
Инструкции по проводке | Красный: датчик +, белый: преобразователь -, черный: экранированный провод; ( Датчик температурынеобязательно) | ||
Кривая допуска | Структура продукта | ||
| |||
Блок -схема ультразвукового преобразователя :
Схематическая схема датчика температуры (Модель: MF58_502F3470):
Инструкция кабеля интегрированного типа:
1. Проводная инструкция преобразователя: интерфейс (3PIN, 2,54 мм терминал)
Красный: датчик +
Белый: преобразователь -
Черный: экранирование
2. Крайняя инструкция датчика температуры: раздела (3PIN, 2,0 мм терминал)
Красный и черный - проводка датчика температуры
Тип разделения: стандартный 10 -метровый кабель с каждым дополнительным 50 м кабеля, ослабление сигнала составляет 6 дБ
Трехъядерные инструкции по проводке:
Красный: датчик +
Синий: датчик температуры +
Черный: публичный-
Четырехъядерные инструкции по проводке:
Красный: датчик +
Желтый: преобразователь-
Синий, черный: датчик температуры
Ультразвуковое применение потока:
Ультразвуковые расходомеры воды измеряют скорость жидкости, проходящей через трубу, используя ультразвук, чтобы измерить объемный поток. В ультразвуковом потоке жидкости транзитного времени ультразвуковой сигнал передается в направлении проточной жидкости вниз по течению, а затем направляется другой сигнал против текущей жидкости вверх по течению. В своей основной форме время для прохождения Sonic Pulse по течению сравнивается со временем, когда импульс пройдет вверх по течению. Используя это дифференциальное время, рассчитывается скорость следующей жидкости. Затем счетчик рассчитывает объемную скорость потока в трубе, используя эту скорость жидкости. Кроме того, измерение энергии BTU может быть получено из объемной скорости потока и разности температур между горячими и холодными ногами. Ультразвуковые счетчики зажима могут измерять воду извне трубы, стреляя импульсам звука через стены трубы, что имеет гибкость нанесения и делает их подходящими для измерений потока воды в больших трубах.