| штат: | |
|---|---|
| Количество: | |
PHYW-1M-02M
Piezohannas
PHYW-1M-02M
Запас 1 МГц Ультразвуковой преобразователь для измерения глубины
Технические параметры:
Предметы | Технические параметры | Изображение | |
Имя | 1 МГц ультразвуковой тransducer |
| |
Модель | PHYW-1M-02M
| ||
Частота | 1 МГц ±5% | ||
Расстояние обнаружения | 0.05~3M | ||
Минимальный параллельный LMpedance |
40 Ом ± 20%
| ||
1450pf ± 20%@1 кГц
| |||
Чувствительность | Нет Напряжение за рулем:24 В、 Расстояние:0,3м、 Эхо -амплитуда:1000 V | ||
Вершина горы Напряжение<300vpp | |||
-40~+80 ℃ | |||
≤3 килограмма или0,3 МПа | |||
| (Продолжительность пучка) Ширина луча полуосновной @-3db:4.6° ± 10%, Резкий угол:10.7° ±10% | ||
Жилищный материал | ПИ | ||
Применение |
Измерение глубины ... | ||
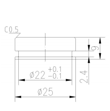
Согласно с Структура продукта | |||
Уровень защиты | IP68 | ||
Масса | 11G ± 5% (Длина:15 см) | ||
Инструкции по проводке | Белый+,Черный-(Датчик температуры необязательно) | ||
Кривая допуска | Структура продукта | ||
| |||
Блок -схема ультразвукового преобразователя :
Схематическая схема датчика температуры (Модель: MF58_502F3470):
Инструкция кабеля интегрированного типа:
1. Проводная инструкция преобразователя: интерфейс (3PIN, 2,54 мм терминал)
Красный: датчик +
Белый: преобразователь -
Черный: экранирование
2. Крайняя инструкция датчика температуры: раздела (3PIN, 2,0 мм терминал)
Красный и черный - проводка датчика температуры
Тип разделения: стандартный 10 -метровый кабель с каждым дополнительным 50 м кабеля, ослабление сигнала составляет 6 дБ
Трехъядерные инструкции по проводке:
Красный: датчик +
Синий: датчик температуры +
Черный: публичный-
Четырехъядерные инструкции по проводке:
Красный: датчик +
Желтый: преобразователь-
Синий, черный: датчик температуры
Запас 1 МГц Ультразвуковой преобразователь для измерения глубины
Технические параметры:
Предметы | Технические параметры | Изображение | |
Имя | 1 МГц ультразвуковой тransducer |
| |
Модель | PHYW-1M-02M
| ||
Частота | 1 МГц ±5% | ||
Расстояние обнаружения | 0.05~3M | ||
Минимальный параллельный LMpedance |
40 Ом ± 20%
| ||
1450pf ± 20%@1 кГц
| |||
Чувствительность | Нет Напряжение за рулем:24 В、 Расстояние:0,3м、 Эхо -амплитуда:1000 V | ||
Вершина горы Напряжение<300vpp | |||
-40~+80 ℃ | |||
≤3 килограмма или0,3 МПа | |||
| (Продолжительность пучка) Ширина луча полуосновной @-3db:4.6° ± 10%, Резкий угол:10.7° ±10% | ||
Жилищный материал | ПИ | ||
Применение |
Измерение глубины ... | ||
Согласно с Структура продукта | |||
Уровень защиты | IP68 | ||
Масса | 11G ± 5% (Длина:15 см) | ||
Инструкции по проводке | Белый+,Черный-(Датчик температуры необязательно) | ||
Кривая допуска | Структура продукта | ||
| |||
Блок -схема ультразвукового преобразователя :
Схематическая схема датчика температуры (Модель: MF58_502F3470):
Инструкция кабеля интегрированного типа:
1. Проводная инструкция преобразователя: интерфейс (3PIN, 2,54 мм терминал)
Красный: датчик +
Белый: преобразователь -
Черный: экранирование
2. Крайняя инструкция датчика температуры: раздела (3PIN, 2,0 мм терминал)
Красный и черный - проводка датчика температуры
Тип разделения: стандартный 10 -метровый кабель с каждым дополнительным 50 м кабеля, ослабление сигнала составляет 6 дБ
Трехъядерные инструкции по проводке:
Красный: датчик +
Синий: датчик температуры +
Черный: публичный-
Четырехъядерные инструкции по проводке:
Красный: датчик +
Желтый: преобразователь-
Синий, черный: датчик температуры