| штат: | |
|---|---|
| Количество: | |
PH40F0412
Piezohannas
PH40F0412
Ультразвуковое расстояние на длине 40 кГц
![]() Ультразвуковой датчик расстояния | ![]() Ультразвуковой датчик искателя диапазона | ![]() Датчик датчика расстояния на расстоянии 40 кГц |
Введение:
PH40F0412 Ультразвуковой датчик имеет функции передатчика и приемника. Это тип дальнего расстояния, как правило, можно использовать для искателя ультразвукового диапазона, ультразвукового датчика для неконтактных объектов, ультразвукового датчика расстояния, датчика ультразвукового уровня жидкости и т. Д. Если у вас есть какие-либо вопросы для других приложений, свяжитесь с нами для получения подробной информации.
Технические параметры:
Модель | PH40F0412 |
Центральная резонансная частота (кГц) | 40 кГц ± 2,0 кГц |
Пропускная способность | 3,0 кГц |
Расстояние обнаружения | 0,4 ~ 12 м |
Слепые зоны | <0,4м |
Луч угла запуска (полное угол -6 дБ) | 15 ± 2 ° |
Чувствительный | -76DB мин |
Электростатическая емкость | 3000PF ± 20% |
Минимальный параллельный импеданс | 180 Ом ± 30% |
Максимальное рабочее напряжение (импульс - 2% рабочего цикла) | 1800VP-P |
Рабочая Температура | -20 ~ 70 ℃ |
Температура хранения | -40 ~ 85 ℃ |
Уровень защиты | IP66 |
Размер (диаметр * высота, мм) | Φ62x63 |
Монтаж | Исправлено винтом |
Материал корпуса | ПВХ |
Длинна кабеля | 2m (можно настроить) |
Масса | 300G |
Фото:
Определение измерения :
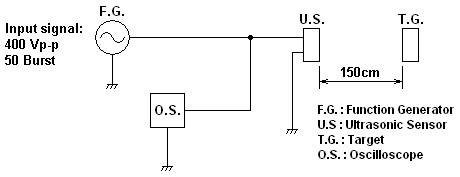
Тестовая цепь :
Особенности ультразвуковых датчиков:
1. Большой размер и легкий вес
2 Высокая чувствительность и высокое звуковое давление
3. Потребление мощности
4. Высокая надежность
Характеристика:
Сплошная упаковка (ABS или алюминиевый сплав) оболочка)
Установка целесообразно (M20*1,5 винт)
Заявление:
1. Расположение положения
2. Соответствие измерения
3. Тратфическое измерение
4. Проводящие препятствия
Ультразвуковое расстояние на длине 40 кГц
![]() Ультразвуковой датчик расстояния | ![]() Ультразвуковой датчик искателя диапазона | ![]() Датчик датчика расстояния на расстоянии 40 кГц |
Введение:
PH40F0412 Ультразвуковой датчик имеет функции передатчика и приемника. Это тип дальнего расстояния, как правило, можно использовать для искателя ультразвукового диапазона, ультразвукового датчика для неконтактных объектов, ультразвукового датчика расстояния, датчика ультразвукового уровня жидкости и т. Д. Если у вас есть какие-либо вопросы для других приложений, свяжитесь с нами для получения подробной информации.
Технические параметры:
Модель | PH40F0412 |
Центральная резонансная частота (кГц) | 40 кГц ± 2,0 кГц |
Пропускная способность | 3,0 кГц |
Расстояние обнаружения | 0,4 ~ 12 м |
Слепые зоны | <0,4м |
Луч угла запуска (полное угол -6 дБ) | 15 ± 2 ° |
Чувствительный | -76DB мин |
Электростатическая емкость | 3000PF ± 20% |
Минимальный параллельный импеданс | 180 Ом ± 30% |
Максимальное рабочее напряжение (импульс - 2% рабочего цикла) | 1800VP-P |
Рабочая Температура | -20 ~ 70 ℃ |
Температура хранения | -40 ~ 85 ℃ |
Уровень защиты | IP66 |
Размер (диаметр * высота, мм) | Φ62x63 |
Монтаж | Исправлено винтом |
Материал корпуса | ПВХ |
Длинна кабеля | 2m (можно настроить) |
Масса | 300G |
Фото:
Определение измерения :
Тестовая цепь :
Особенности ультразвуковых датчиков:
1. Большой размер и легкий вес
2 Высокая чувствительность и высокое звуковое давление
3. Потребление мощности
4. Высокая надежность
Характеристика:
Сплошная упаковка (ABS или алюминиевый сплав) оболочка)
Установка целесообразно (M20*1,5 винт)
Заявление:
1. Расположение положения
2. Соответствие измерения
3. Тратфическое измерение
4. Проводящие препятствия