Piezo Hannas (WuHan) Tech Co,.Ltd .- Профессиональный пьезокерамический поставщик элементов
продукты
Вы здесь: Дом / Товары / Ультразвуковые преобразователи / Преобразователь для обнаружения / Ультразвуковой датчик уровня топлива 500 кГц для масляного бака
Высокочастотные оптовые продукты для производителей и заводов:

Обратная связь

loading

Поделиться с:
sharethis sharing button

Ультразвуковой датчик уровня топлива 500 кГц для масляного бака

Ультразвуковой датчик 500 кГц для уровня масла автомобильного резервуара.
штат:
Количество:
  • PH500MQB

  • Piezohannas

  • PH500MQB

                        500 кГц датчик уровня ультразвукового топлива для масляного бака


Технические параметры:


Модель

PH500MQB

Центральная резонансная частота (кГц)

500 кГц ± 2%

 частота полоса пропускания(-6db)

10 %

 Интегрированная чувствительность (0 дБ = 18 VP-P ; Период: 20, расстояние: 30 см.

-36DB мин

Расстояние обнаружения

6 м

ДЭАD зона

3 см

Максимальное рабочее напряжение (импульс - 2% рабочего цикла)

800 В.

Луч угла запуска (-3ДБ полный угол)

5 °

Электростатическая емкость

1100pf ± 20%

Минимальный параллельный импеданс

160 Ом ± 30%

Рабочая Температура

-2070 ℃

Уровень защиты

IP68

Жилищный материал

алюминиевый сплав


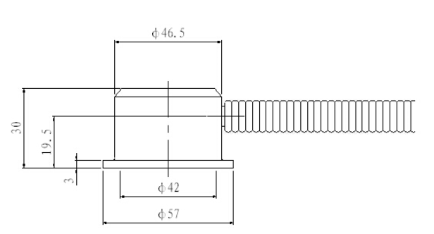
Изображение:



500 кГц датчик уровня ультразвукового топлива


Определение измерения :

Rhy`3 (ofgz6m71imbi_nx1f  

 

 

Частота  Изгиб

] 0gkwt8 {1 [dvw] faw4zk (r  

 

 

 

Частота-Фазовый угол кривой

8q] e7wk6q7mwfxha38y) f3h  

 

 Интегрированная чувствительность:

 

 

Отправка напряжения:10VP-Pпериод20,расстояние10cm

4 (6 $ (2fiv03th ($ fy3r} u_b











предыдущий: 
следующий: 

Горячие продукты

Piezo Hannas (WuHan) Tech Co,.Ltd - это профессиональная пьезоэлектрическая керамика и производитель ультразвуковых преобразователей, посвященный ультразвуковым технологиям и промышленным приложениям.

СВЯЖИТЕСЬ С НАМИ

Добавить: № 456 Wu Luo Road, район Вучан, город Ухан, провинция Хубей, Китай.
Эл. адрес:sales@piezohannas.com
Тел: +86 27 84898868
Телефон: +86 +18986196674
QQ: 1553242848
Skype: Live: Mary_14398
Copyright 2017  Piezo Hannas (WuHan) Tech Co,.Ltd.All rights reserved.
Товары