| штат: | |
|---|---|
| Количество: | |
PHW-1M-01U
Piezohannas
PHW-1M-01U
Ультразвуковой датчик 1 МГц для доплеровского ультразвукового потока.
Технические параметры:
Предметы | Технические параметры | Изображение | |
Имя | 1 МГц ультразвуковой датчик |
| |
Модель | PhW-1m-01U | ||
Частота | 1 МГц ±5% | ||
Расстояние обнаружения | 005~3m | ||
Минимум Параллельный LMpedance | 15Ω ± 20% | ||
3000PF ± 20%@1 кГц | |||
Чувствительность | Напряжение за рулем:24 В、Расстояние:0,3м、 Эхо -амплитуда:1000 мВ | ||
Вершина горы Напряжение<300Vpp | |||
-40~+80 ℃ | |||
≤10Килограммы или 1mpa | |||
| (Продолжительность пучка) Ширина луча полуосновной@-3db:2.4° ±0.5, Резкий угол:5.6° ±1 | ||
Корпус Материал | композитный материал | ||
Применение | ДоплеровскийЭффектУльтразвуковой течет | ||
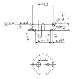
Смотрите рисунок структуры продукта | |||
Уровень защиты | IP68 | ||
Масса | G ± 5% (Lэн:m) | ||
Инструкции по проводке | Белый-,Черный- экранированный провод; (Датчик температурынеобязательно) | ||
Кривая допуска | Структура продукта | ||
| |||
Блок -схема ультразвукового преобразователя :
Схематическая схема датчика температуры:
Расщепленный тип Кабельная инструкция:
Стандартный провод составляет 10 м, сигнал будет ослаблять 6db на каждые 50 м увеличиваясь проволока.
1 Три основные инструкции по проводке:
Красный: датчик +
Синий: датчик температуры +
Черный: публичный -
Ультразвуковое применение измерителя потока:
Ультразвуковое потоковое измеритель допплеровского эффекта используется отраженным ультразвуковым звуком для измерения скорости жидкости. Измеряя сдвиг частоты между ультразвуковым источником частоты, приемником и носителем жидкости, измеряется относительное движение. Полученный сдвиг частоты называется эффектом доплеровца.
Ультразвуковой датчик 1 МГц для доплеровского ультразвукового потока.
Технические параметры:
Предметы | Технические параметры | Изображение | |
Имя | 1 МГц ультразвуковой датчик |
| |
Модель | PhW-1m-01U | ||
Частота | 1 МГц ±5% | ||
Расстояние обнаружения | 005~3m | ||
Минимум Параллельный LMpedance | 15Ω ± 20% | ||
3000PF ± 20%@1 кГц | |||
Чувствительность | Напряжение за рулем:24 В、Расстояние:0,3м、 Эхо -амплитуда:1000 мВ | ||
Вершина горы Напряжение<300Vpp | |||
-40~+80 ℃ | |||
≤10Килограммы или 1mpa | |||
| (Продолжительность пучка) Ширина луча полуосновной@-3db:2.4° ±0.5, Резкий угол:5.6° ±1 | ||
Корпус Материал | композитный материал | ||
Применение | ДоплеровскийЭффектУльтразвуковой течет | ||
Смотрите рисунок структуры продукта | |||
Уровень защиты | IP68 | ||
Масса | G ± 5% (Lэн:m) | ||
Инструкции по проводке | Белый-,Черный- экранированный провод; (Датчик температурынеобязательно) | ||
Кривая допуска | Структура продукта | ||
| |||
Блок -схема ультразвукового преобразователя :
Схематическая схема датчика температуры:
Расщепленный тип Кабельная инструкция:
Стандартный провод составляет 10 м, сигнал будет ослаблять 6db на каждые 50 м увеличиваясь проволока.
1 Три основные инструкции по проводке:
Красный: датчик +
Синий: датчик температуры +
Черный: публичный -
Ультразвуковое применение измерителя потока:
Ультразвуковое потоковое измеритель допплеровского эффекта используется отраженным ультразвуковым звуком для измерения скорости жидкости. Измеряя сдвиг частоты между ультразвуковым источником частоты, приемником и носителем жидкости, измеряется относительное движение. Полученный сдвиг частоты называется эффектом доплеровца.