| штат: | |
|---|---|
| Количество: | |
PH7708-1
PH7708-1
Универсальный трансформатор 40 кГц для ультразвукового преобразователя
Эта спецификация включает в себя размер трансформатора PH7708-1, характеристики, параметры производительности и меры предосторожности. Он совместим с ультразвуковыми датчиками 40 кГц. Перед использованием этого продукта, пожалуйста, прочитайте эту спецификацию.
Изображение:
Измерение:
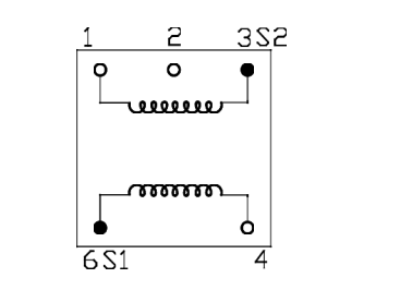
Схема (внизу):
Материалы и обмотка:
ПРЕДМЕТЫ | Материалы | Производители | Уль нет. | |
Обмотка | 6-4 | 3-1 | ||
Повороты | 61ts | 427ts | ||
ПРОВОД | Φ0,08 мм (2UEW) | GYHX | E233255 | |
ОСНОВНОЙ | Th 4,9 × 5 или эквивалент | Фей | НА | |
КЕЙС | KSC-754Z или эквивалент | Wp | НА | |
Боббин | KSB-754Z или эквивалент | Wp | НА | |
Cap Core | P 7,2 × 6,8 или эквивалент | Фей | НА | |
ХАРАКТЕРИСТИКИ:
ПРЕДМЕТЫ | Спецификация | Условия тестирования | Измерительные инструменты |
Индуктивность | 9mh ± 5% |
40 кГц |
MQ-1601 |
Разгружен q | 70 мин. |
Данные тестирования:
ТЕСТ Инструменты: CH-1062 CH-502A QBG-3D
MQ-1601 MQ-171
Условия испытаний: на основе спецификации. Температура теста: 25 ℃ ± 5 ℃ Относительная влажность: 63% ~ 67%
SPEC |
ЭЛЕКТРИЧЕСКИЕ ХАРАКТЕРИСТИКИ | Размеры (мм) | ||||||
L | Q | A | B | C | D | E | F | |
9mh | 70 | 8.8 | 10.0 | 3.0 | Ø 0,5 | 4.5 | 1.0 | |
± 5% | Мин | Максимум | Максимум | Рефери | Рефери | Рефери | Рефери | |
1 | 8.55 | 110.0 | 8.56 | 9.63 | 3.0 | 0.5 | 4.5 | 1.0 |
2 | 8.73 | 99.0 | 8.57 | 9.77 | 3.0 | 0.5 | 4.5 | 1.0 |
3 | 8.96 | 101.0 | ||||||
4 | 9.36 | 110.0 | ||||||
5 | 9.48 | 119.0 | ||||||
Максимум. | 9.48 | 119.0 | ||||||
Мин | 8.55 | 99.0 | ||||||
R | 0.93 | 20.0 | ||||||
X | 9.02 | 107.8 | ||||||
ОПРЕДЕЛЕННЫЙ | ХОРОШО | ХОРОШО | ХОРОШО | ХОРОШО | ХОРОШО | ХОРОШО | ХОРОШО | ХОРОШО |
Универсальный трансформатор 40 кГц для ультразвукового преобразователя
Эта спецификация включает в себя размер трансформатора PH7708-1, характеристики, параметры производительности и меры предосторожности. Он совместим с ультразвуковыми датчиками 40 кГц. Перед использованием этого продукта, пожалуйста, прочитайте эту спецификацию.
Изображение:
Измерение:
Схема (внизу):
Материалы и обмотка:
ПРЕДМЕТЫ | Материалы | Производители | Уль нет. | |
Обмотка | 6-4 | 3-1 | ||
Повороты | 61ts | 427ts | ||
ПРОВОД | Φ0,08 мм (2UEW) | GYHX | E233255 | |
ОСНОВНОЙ | Th 4,9 × 5 или эквивалент | Фей | НА | |
КЕЙС | KSC-754Z или эквивалент | Wp | НА | |
Боббин | KSB-754Z или эквивалент | Wp | НА | |
Cap Core | P 7,2 × 6,8 или эквивалент | Фей | НА | |
ХАРАКТЕРИСТИКИ:
ПРЕДМЕТЫ | Спецификация | Условия тестирования | Измерительные инструменты |
Индуктивность | 9mh ± 5% |
40 кГц |
MQ-1601 |
Разгружен q | 70 мин. |
Данные тестирования:
ТЕСТ Инструменты: CH-1062 CH-502A QBG-3D
MQ-1601 MQ-171
Условия испытаний: на основе спецификации. Температура теста: 25 ℃ ± 5 ℃ Относительная влажность: 63% ~ 67%
SPEC |
ЭЛЕКТРИЧЕСКИЕ ХАРАКТЕРИСТИКИ | Размеры (мм) | ||||||
L | Q | A | B | C | D | E | F | |
9mh | 70 | 8.8 | 10.0 | 3.0 | Ø 0,5 | 4.5 | 1.0 | |
± 5% | Мин | Максимум | Максимум | Рефери | Рефери | Рефери | Рефери | |
1 | 8.55 | 110.0 | 8.56 | 9.63 | 3.0 | 0.5 | 4.5 | 1.0 |
2 | 8.73 | 99.0 | 8.57 | 9.77 | 3.0 | 0.5 | 4.5 | 1.0 |
3 | 8.96 | 101.0 | ||||||
4 | 9.36 | 110.0 | ||||||
5 | 9.48 | 119.0 | ||||||
Максимум. | 9.48 | 119.0 | ||||||
Мин | 8.55 | 99.0 | ||||||
R | 0.93 | 20.0 | ||||||
X | 9.02 | 107.8 | ||||||
ОПРЕДЕЛЕННЫЙ | ХОРОШО | ХОРОШО | ХОРОШО | ХОРОШО | ХОРОШО | ХОРОШО | ХОРОШО | ХОРОШО |