Piezo Hannas (WuHan) Tech Co,.Ltd .- Профессиональный пьезокерамический поставщик элементов
продукты
Вы здесь: Дом / Товары / Ультразвуковые преобразователи / Преобразователь для расходомера / Установка преобразователя подводного эхолота 1 МГц для ультразвукового расходомера
Высокочастотные оптовые продукты для производителей и заводов:

Обратная связь

loading

Поделиться с:
sharethis sharing button

Установка преобразователя подводного эхолота 1 МГц для ультразвукового расходомера

ультразвуковой датчик для потока
штат:
Количество:
  • PHW-1M-01P

  • Piezohannas

  • PHW-1M-01P

1 МГц подводной глубиной


Предметы

Технические параметры

Изображение

Имя

1MГц подводный ультразвук преобразователь

Gs5r3ar%oi {uayfcyz`2wgk  

NSE1TCV51TXHX7DVF0 (G (ZM  

Модель

PhW-1M-01P

Частота

1 МГц ±5%

Расстояние обнаружения

0053m

Минимум

Параллельный LMpedance

90 Ом ± 20

Емкость

1300pf ± 20@1 кГц

 

Чувствительность

Напряжение за рулем: 24 VPP 、 Расстояние: 0,3м 、

Эхо -амплитуда : 300 мВ

Работа

Напряжение

Вершина горы  Напряжение< 300vpp

Работа

Температура

-40+80 ℃

Давление

≤3kilos или 0,3 МПа

 

Угол

(Продолжительность пучка) Ширина луча с половиной мощности@-3 дБ: 4,5 ° ± 1 ,

Острый угол: 10,5 ° ± 2

Корпус  Материал

Пома

 

Применение

Ультразвуковой течет

Монтаж

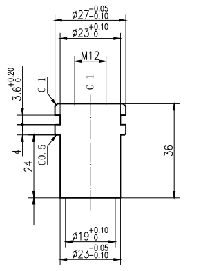
Измерение

Смотрите рисунок структуры продукта

Уровень защиты

IP68

Масса

40 г ± 5% (Lэн1,5 м

Инструкции по проводке

     Интегрированный тип: красный+, белый-черный: экранированный провод ;

(без Датчик температуры по умолчанию)

Кривая допуска

Структура продукта

 

Qxy8 {%78vq8prh_8_6Aw  

 

6@x00%nn $ _k7%l8 $ aou`@tl


 

Схема датчика температуры tRansducer иСхема тестовой схемы:


0) bspbppja {p`6ks@w0d $ dd


 



 

 



 

 



предыдущий: 
следующий: 

Горячие продукты

Piezo Hannas (WuHan) Tech Co,.Ltd - это профессиональная пьезоэлектрическая керамика и производитель ультразвуковых преобразователей, посвященный ультразвуковым технологиям и промышленным приложениям.

СВЯЖИТЕСЬ С НАМИ

Добавить: № 456 Wu Luo Road, район Вучан, город Ухан, провинция Хубей, Китай.
Эл. адрес:sales@piezohannas.com
Тел: +86 27 84898868
Телефон: +86 +18986196674
QQ: 1553242848
Skype: Live: Mary_14398
Copyright 2017  Piezo Hannas (WuHan) Tech Co,.Ltd.All rights reserved.
Товары