Piezo Hannas (WuHan) Tech Co,.Ltd .- Профессиональный пьезокерамический поставщик элементов
продукты
Вы здесь: Дом / Товары / Ультразвуковые преобразователи / Датчик глубины / 1 МГц подводный ультразвуковой датчик преобразователя для ультразвукового расходомера
Высокочастотные оптовые продукты для производителей и заводов:

Обратная связь

loading

Поделиться с:
sharethis sharing button

1 МГц подводный ультразвуковой датчик преобразователя для ультразвукового расходомера

Применение: ультразвуковая проточка , подводной диапазон искатель диапазона
штат:
Количество:
  • PHW-1M-01Z

  • Piezohannas

  • PHW-1M-01Z

1 МГц подводный ультразвуковой датчик преобразователя для ультразвукового потока

 

FEC99E9987013B71BDABC89A185D5E24

 


Технические параметры:

 

 

Предметы

Технические параметры

Изображение

Имя

1МГц  Подводный ультразвук преобразователь

] Buzs3t1mwevk9y87k) _4ay  

Dp3f@4ge%h@]%[wg4zx7r1  

Модель

PhW-1m-01Z.

Частота

1 МГц ±5%

Расстояние обнаружения

0053m

Минимум

Параллельный LMpedance

50Ω ± 20

Емкость

1750PF ± 20@1 кГц

 

Чувствительность

Напряжение за рулем: 24 VPP 、 Расстояние: 0,3м 、

Эхо -амплитуда : 700 мВ

Работа

Напряжение

Вершина горы  Напряжение< 300vpp

Работа

Температура

-40+80 ℃

Давление

≤3Килограммы или  0,3 МПа

 

Угол

(Продолжительность пучка) Ширина луча с половиной мощности@-3db: 2,9 ° ± 1 ,

Острый угол: 6,8 ° ± 2

Корпус  Материал

композитный материал

 

Применение

Ультразвуковая платная схема , подводной диапазон искатель диапазона

Монтаж

Измерение

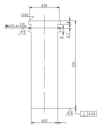
Смотрите рисунок структуры продукта

Уровень защиты

IP68

Масса

110G ± 5% (Lэн2m

Инструкции по проводке

     Белый+, черный экранированный провод ;

(без Датчик температуры по умолчанию)

Кривая допуска

Структура продукта

2g] pbl %%} {cu) vt@2d_iv4  

KRW32} Ko) A5) 3 $ la ((xap




Производственное шоу:


53F9611B550D7E461127C8DDB7285262


 8522ECAC3D04D4A410C37A88A67F761C


предыдущий: 
следующий: 

Горячие продукты

Piezo Hannas (WuHan) Tech Co,.Ltd - это профессиональная пьезоэлектрическая керамика и производитель ультразвуковых преобразователей, посвященный ультразвуковым технологиям и промышленным приложениям.

СВЯЖИТЕСЬ С НАМИ

Добавить: № 456 Wu Luo Road, район Вучан, город Ухан, провинция Хубей, Китай.
Эл. адрес:sales@piezohannas.com
Тел: +86 27 84898868
Телефон: +86 +18986196674
QQ: 1553242848
Skype: Live: Mary_14398
Copyright 2017  Piezo Hannas (WuHan) Tech Co,.Ltd.All rights reserved.
Товары