| штат: | |
|---|---|
| Количество: | |
PHW-1M-01LE
Piezohannas
PHW-1M-01LE
Ультразвуковое ультразвуковое преобразователь ультразвукового датчика с коррозией 100 кГц для ультразвукового диапазона
Технические параметры:
Предметы | Технические параметры | Изображение | |
Имя | cОррозия устойчивой под водойультразвуковой преобразователь |
| |
Модель | PhW-1M-01LE | ||
Частота | 100 тысГц±5% | ||
Расстояние обнаружения | 06~40m | ||
Минимум Параллельный LMpedance | 1200 Ом ± 20% | ||
1200pf ± 20%@1 кГц | |||
Чувствительность | Напряжение за рулем:200Vpp、Расстояние:07m、 Эхо -амплитуда:900мв. | ||
Вершина горы Напряжение<850Vpp | |||
-40~+80 ℃ | |||
≤10Килограммы или 1mpa | |||
| (Продолжительность пучка) Ширина луча полуосновной балки@-3db: 43° ±10%, Острый угол: 115 ° ±10% | ||
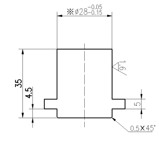
Корпус Материал | Смотрите рисунок структуры продукта | ||
Применение | Ультразвуковой течет,Подводная лодка искатель | ||
Смотрите рисунок структуры продукта | |||
Уровень защиты | IP68 | ||
Масса | 103G ± 5% (Lэн:2M) | ||
Инструкции по проводке | Красный: датчик +,Черный: преобразователь -,Желтый: излучающая поверхность; | ||
Кривая допуска | Структура продукта | ||
| |||
Блок -схема ультразвукового преобразователя :
Схематическая схема датчика температуры (Модель: MF58_502F3470):
Инструкция кабеля интегрированного типа:
1. Проводная инструкция преобразователя: интерфейс (3PIN, 2,54 мм терминал)
Красный: датчик +
Белый: преобразователь -
Черный: экранирование
2. Крайняя инструкция датчика температуры: раздела (3PIN, 2,0 мм терминал)
Красный и черный - проводка датчика температуры
Тип разделения: стандартный 10 -метровый кабель с каждым дополнительным 50 м кабеля, ослабление сигнала составляет 6 дБ
Трехъядерные инструкции по проводке:
Красный: датчик +
Синий: датчик температуры +
Черный: публичный-
Четырехъядерные инструкции по проводке:
Красный: датчик +
Желтый: преобразователь-
Синий, черный: датчик температуры
Ультразвуковое применение потока:
Ультразвуковые расходомеры воды измеряют скорость жидкости, проходящей через трубу, используя ультразвук, чтобы измерить объемный поток. В ультразвуковом потоке жидкости транзитного времени ультразвуковой сигнал передается в направлении проточной жидкости вниз по течению, а затем направляется другой сигнал против текущей жидкости вверх по течению. В своей основной форме время для прохождения Sonic Pulse по течению сравнивается со временем, когда импульс пройдет вверх по течению. Используя это дифференциальное время, рассчитывается скорость следующей жидкости. Затем счетчик рассчитывает объемную скорость потока в трубе, используя эту скорость жидкости. Кроме того, измерение энергии BTU может быть получено из объемной скорости потока и разности температур между горячими и холодными ногами. Ультразвуковые счетчики зажима могут измерять воду извне трубы, стреляя импульсам звука через стены трубы, что имеет гибкость нанесения и делает их подходящими для измерений потока воды в больших трубах.
Ультразвуковое ультразвуковое преобразователь ультразвукового датчика с коррозией 100 кГц для ультразвукового диапазона
Технические параметры:
Предметы | Технические параметры | Изображение | |
Имя | cОррозия устойчивой под водойультразвуковой преобразователь |
| |
Модель | PhW-1M-01LE | ||
Частота | 100 тысГц±5% | ||
Расстояние обнаружения | 06~40m | ||
Минимум Параллельный LMpedance | 1200 Ом ± 20% | ||
1200pf ± 20%@1 кГц | |||
Чувствительность | Напряжение за рулем:200Vpp、Расстояние:07m、 Эхо -амплитуда:900мв. | ||
Вершина горы Напряжение<850Vpp | |||
-40~+80 ℃ | |||
≤10Килограммы или 1mpa | |||
| (Продолжительность пучка) Ширина луча полуосновной балки@-3db: 43° ±10%, Острый угол: 115 ° ±10% | ||
Корпус Материал | Смотрите рисунок структуры продукта | ||
Применение | Ультразвуковой течет,Подводная лодка искатель | ||
Смотрите рисунок структуры продукта | |||
Уровень защиты | IP68 | ||
Масса | 103G ± 5% (Lэн:2M) | ||
Инструкции по проводке | Красный: датчик +,Черный: преобразователь -,Желтый: излучающая поверхность; | ||
Кривая допуска | Структура продукта | ||
| |||
Блок -схема ультразвукового преобразователя :
Схематическая схема датчика температуры (Модель: MF58_502F3470):
Инструкция кабеля интегрированного типа:
1. Проводная инструкция преобразователя: интерфейс (3PIN, 2,54 мм терминал)
Красный: датчик +
Белый: преобразователь -
Черный: экранирование
2. Крайняя инструкция датчика температуры: раздела (3PIN, 2,0 мм терминал)
Красный и черный - проводка датчика температуры
Тип разделения: стандартный 10 -метровый кабель с каждым дополнительным 50 м кабеля, ослабление сигнала составляет 6 дБ
Трехъядерные инструкции по проводке:
Красный: датчик +
Синий: датчик температуры +
Черный: публичный-
Четырехъядерные инструкции по проводке:
Красный: датчик +
Желтый: преобразователь-
Синий, черный: датчик температуры
Ультразвуковое применение потока:
Ультразвуковые расходомеры воды измеряют скорость жидкости, проходящей через трубу, используя ультразвук, чтобы измерить объемный поток. В ультразвуковом потоке жидкости транзитного времени ультразвуковой сигнал передается в направлении проточной жидкости вниз по течению, а затем направляется другой сигнал против текущей жидкости вверх по течению. В своей основной форме время для прохождения Sonic Pulse по течению сравнивается со временем, когда импульс пройдет вверх по течению. Используя это дифференциальное время, рассчитывается скорость следующей жидкости. Затем счетчик рассчитывает объемную скорость потока в трубе, используя эту скорость жидкости. Кроме того, измерение энергии BTU может быть получено из объемной скорости потока и разности температур между горячими и холодными ногами. Ультразвуковые счетчики зажима могут измерять воду извне трубы, стреляя импульсам звука через стены трубы, что имеет гибкость нанесения и делает их подходящими для измерений потока воды в больших трубах.