| штат: | |
|---|---|
| Количество: | |
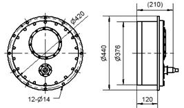
HS/M20K/90K
Piezohannas
HS/M20K/90K
Пьезоэлектрический подводной датчик широкополосного широкополосного доступа для военных применений для военных применений
Технические параметры:
Модель | HS/M20K/90K (глубинный преобразователь) |
|
резонансная частота | 20 кГц 、 90 кГц | |
Рабочая группа | △ f≥2 кГц (20 кГц) | |
передача отклика напряжения | ≥164DB (20 кГц) | |
Статическая емкость | 90000PF(20 кГц) | |
Dнеректирование | 2θ-3DB = (20 ± 5) ° | |
Чувствительность напряжения свободного поля | ≥1000 мкВ/PA(20 кГц) | |
Рабочая глубина | 300 м | |
Кабель специфическаяn | Φ16 мм 4 Экэк -кабель | |
Масса | 65 кг | |
Типы подводного акустического преобразователя:
1. Частота, глубокая вода, высокая мощность
Низкочастотный передача передачи передач: существуют различные типы преобразователей изгиба, преобразователи с изгибами, пролезные преобразователи круговой трубки, преобразователи сгибания сланцев, комбинированные преобразователи диска изгиба и т. Д. Минимальная рабочая частота составляла всего 20 Гц;
Серия глубоководных преобразователей: Существует три типа продуктов: тип переполнения, тип баланса давления, заполненный маслом, и тип самоотверженного давления, максимальное сопротивление давлению достигло 80 МПа;
Серия датчиков мощности мощности: уровень источника звука может достигать более 207 дБ около 350 Гц.
2. Преобразователь мозаичного кольца
Компания имеет возможность проектировать и производить мозаичные кольца диаметром 30 мм ~ 800 мм, частота может охватывать 0,5 кГц ~ 50 кГц, самый высокий уровень источника звука эмиссии в одном преобразователе может достигать 202 дБ, а эффективная полоса рабочей частоты может достигать. Более 2 частоты октавы. Его структурная форма, в основном разделенная на тип и тип переполнения с воздухом, глубина работы может достигать 500 м и 6 км соответственно.
3. Массив линий
Компания имеет возможность проектировать и производить наполненные нефтью линейные массивы, кабельные линейные массивы и жесткие линейные массивы. Массив, заполненный маслом, может реализовать линейный массив, заполненный маслом, с наименьшим внешним диаметром 20 мм, а самый длинный сегмент отдельного массива может достигать 80 млн.
4. Сферический преобразователь
Компания имеет зрелые технологии проектирования и производства для сферических преобразователей. В настоящее время он сформировал полную серию сферических преобразователей диаметром от 20 мм до 166 мм после упаковки; Частота покрытия передачи составляет от 3 кГц до 150 кГц; Частота покрытия приема составляет от 5 Гц до 100 кГц+; Рабочая глубина - самая высокая до 5 км или более.
5. Векторный гидрофон
Компания является первой компанией в отрасли, которая разработала векторные гидрофоны и ее инженерные приложения. Разработанные гидрофоны вектора дифференциального давления и гидрофоны вектора ко-вибрации являются стабильными и надежными. Рабочая полоса частот может охватывать 5 Гц ~ 120 кГц, а максимальная глубина работы может составлять до 3000 м. Чтобы улучшить пригодность гидрофона векторного вибрации, наша компания провела углубленные исследования метода установки, воздействия водонепроницаемого тока и режима подвески и т. Д., А также реализовал фиксированные гидрофон с фиксированной установкой, наполненную маслом и бесплатную подвеска и т. Д. Различные результаты, а также имеют возможности для проектирования и производства массивов векторных гидрофонов и буксируемых массивов.
Заявление:
Подводные исследования акустики
Калибровка акустического поля
Военные и научные применения
Подводные акустические преобразователи могут содержать как передатчики, так и приемники, или они могут быть исключительно передатчиками, используемыми в сочетании с гидрофоном. Они чувствуют отражение звука и использования расстояния и направленных данных для связи, картирования и навигации. Подводные акустические преобразователи имеют эксплуатационный диапазон, но обычно предназначены для работы на их резонансной частоте, чтобы максимизировать выходную мощность. Они наиболее часто представляют собой одночастотные передатчики, но они могут содержать несколько передатчиков и приемников для разных частот.
Подводная акустическая проверка измерения:
Подводное акустическое измерение содержит 5 наборов испытательных устройств, включая автоматическую акустическую систему измерения, гидрофона низкочастотного калибровочного устройства, система измерения чувствительности к гидрофоновым ускорению, измерение гидроакустических материалов и система испытательной станции, которые оснащены для измерения преобразователей. Анкет Соответствующие параметры звукового элемента и акустической матрицы, а также характеристики отражения и передачи звука подводных акустических материалов и компонентов, стандартов тестирования GB/T 7965-2002, GB/T16165-1996, GB/T7967-2002, GJB275 -1987, GB /T14369-2011, Q /715 J 66-2011 и т. Д. Измерительный диапазон частот составляет от 20 Гц до 500 кГц. Испытательная станция может измерить подводные акустические характеристики крупных преобразователей и акустических массивов.
Пьезоэлектрический подводной датчик широкополосного широкополосного доступа для военных применений для военных применений
Технические параметры:
Модель | HS/M20K/90K (глубинный преобразователь) |
|
резонансная частота | 20 кГц 、 90 кГц | |
Рабочая группа | △ f≥2 кГц (20 кГц) | |
передача отклика напряжения | ≥164DB (20 кГц) | |
Статическая емкость | 90000PF(20 кГц) | |
Dнеректирование | 2θ-3DB = (20 ± 5) ° | |
Чувствительность напряжения свободного поля | ≥1000 мкВ/PA(20 кГц) | |
Рабочая глубина | 300 м | |
Кабель специфическаяn | Φ16 мм 4 Экэк -кабель | |
Масса | 65 кг | |
Типы подводного акустического преобразователя:
1. Частота, глубокая вода, высокая мощность
Низкочастотный передача передачи передач: существуют различные типы преобразователей изгиба, преобразователи с изгибами, пролезные преобразователи круговой трубки, преобразователи сгибания сланцев, комбинированные преобразователи диска изгиба и т. Д. Минимальная рабочая частота составляла всего 20 Гц;
Серия глубоководных преобразователей: Существует три типа продуктов: тип переполнения, тип баланса давления, заполненный маслом, и тип самоотверженного давления, максимальное сопротивление давлению достигло 80 МПа;
Серия датчиков мощности мощности: уровень источника звука может достигать более 207 дБ около 350 Гц.
2. Преобразователь мозаичного кольца
Компания имеет возможность проектировать и производить мозаичные кольца диаметром 30 мм ~ 800 мм, частота может охватывать 0,5 кГц ~ 50 кГц, самый высокий уровень источника звука эмиссии в одном преобразователе может достигать 202 дБ, а эффективная полоса рабочей частоты может достигать. Более 2 частоты октавы. Его структурная форма, в основном разделенная на тип и тип переполнения с воздухом, глубина работы может достигать 500 м и 6 км соответственно.
3. Массив линий
Компания имеет возможность проектировать и производить наполненные нефтью линейные массивы, кабельные линейные массивы и жесткие линейные массивы. Массив, заполненный маслом, может реализовать линейный массив, заполненный маслом, с наименьшим внешним диаметром 20 мм, а самый длинный сегмент отдельного массива может достигать 80 млн.
4. Сферический преобразователь
Компания имеет зрелые технологии проектирования и производства для сферических преобразователей. В настоящее время он сформировал полную серию сферических преобразователей диаметром от 20 мм до 166 мм после упаковки; Частота покрытия передачи составляет от 3 кГц до 150 кГц; Частота покрытия приема составляет от 5 Гц до 100 кГц+; Рабочая глубина - самая высокая до 5 км или более.
5. Векторный гидрофон
Компания является первой компанией в отрасли, которая разработала векторные гидрофоны и ее инженерные приложения. Разработанные гидрофоны вектора дифференциального давления и гидрофоны вектора ко-вибрации являются стабильными и надежными. Рабочая полоса частот может охватывать 5 Гц ~ 120 кГц, а максимальная глубина работы может составлять до 3000 м. Чтобы улучшить пригодность гидрофона векторного вибрации, наша компания провела углубленные исследования метода установки, воздействия водонепроницаемого тока и режима подвески и т. Д., А также реализовал фиксированные гидрофон с фиксированной установкой, наполненную маслом и бесплатную подвеска и т. Д. Различные результаты, а также имеют возможности для проектирования и производства массивов векторных гидрофонов и буксируемых массивов.
Заявление:
Подводные исследования акустики
Калибровка акустического поля
Военные и научные применения
Подводные акустические преобразователи могут содержать как передатчики, так и приемники, или они могут быть исключительно передатчиками, используемыми в сочетании с гидрофоном. Они чувствуют отражение звука и использования расстояния и направленных данных для связи, картирования и навигации. Подводные акустические преобразователи имеют эксплуатационный диапазон, но обычно предназначены для работы на их резонансной частоте, чтобы максимизировать выходную мощность. Они наиболее часто представляют собой одночастотные передатчики, но они могут содержать несколько передатчиков и приемников для разных частот.
Подводная акустическая проверка измерения:
Подводное акустическое измерение содержит 5 наборов испытательных устройств, включая автоматическую акустическую систему измерения, гидрофона низкочастотного калибровочного устройства, система измерения чувствительности к гидрофоновым ускорению, измерение гидроакустических материалов и система испытательной станции, которые оснащены для измерения преобразователей. Анкет Соответствующие параметры звукового элемента и акустической матрицы, а также характеристики отражения и передачи звука подводных акустических материалов и компонентов, стандартов тестирования GB/T 7965-2002, GB/T16165-1996, GB/T7967-2002, GJB275 -1987, GB /T14369-2011, Q /715 J 66-2011 и т. Д. Измерительный диапазон частот составляет от 20 Гц до 500 кГц. Испытательная станция может измерить подводные акустические характеристики крупных преобразователей и акустических массивов.