Piezo Hannas (WuHan) Tech Co,.Ltd .- Профессиональный пьезокерамический поставщик элементов
продукты
Вы здесь: Дом / Товары / Ультразвуковые преобразователи / Преобразователь для расходомера / Преобразователь ультразвукового расходомера 500 кГц для ультразвукового расходомера
Высокочастотные оптовые продукты для производителей и заводов:

Обратная связь

loading

Поделиться с:
sharethis sharing button

Преобразователь ультразвукового расходомера 500 кГц для ультразвукового расходомера

штат:
Количество:
  • PH500-3532A

  • Piezohannas

  • PH500-3532A

   500 кГц ультразвуковой традиционный счетчик для ультразвукового потока.

 

 

Заявление:


измерение потока

водоростка

 

Технические параметры:

 

 

Модель

Ph500-3532A

Центральная резонансная частота (кГц)

500 кГц±3%

частота полоса пропускания

10%

интегрированная чувствительность  0 дБ = 10 VP-Pпериод10расстояние30 см

 

> 150 мВ

Запуск угловой луч(-3db  полный угол

6 °

Электростатическая емкость

2000pf ± 20%

Минимальный параллельный импеданс(под водой)

25 Ом ± 30%

Максимальное рабочее напряжениеработник  2%

600 В.

Рабочая Температура

-2070

MWP (максимальное рабочее давление)

0,5 МПа

Жилищный материал

АБС

Уровень защиты

IP68



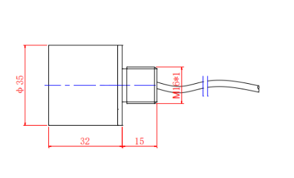
Изображение:

 

Ультразвуковой датчик 500 кГцYflcvplbsc_v92z4eosq


Общее сопротивление - Фазовая кривая                   

 

 6V`dxwvrz2e432j0g192


 

Интегрированная чувствительность:

10 VP-P ; Период: 10 ; расстояние : 30 см.



__`1s2nb5u89ksp5wts


 


предыдущий: 
следующий: 

Горячие продукты

Piezo Hannas (WuHan) Tech Co,.Ltd - это профессиональная пьезоэлектрическая керамика и производитель ультразвуковых преобразователей, посвященный ультразвуковым технологиям и промышленным приложениям.

СВЯЖИТЕСЬ С НАМИ

Добавить: № 456 Wu Luo Road, район Вучан, город Ухан, провинция Хубей, Китай.
Эл. адрес:sales@piezohannas.com
Тел: +86 27 84898868
Телефон: +86 +18986196674
QQ: 1553242848
Skype: Live: Mary_14398
Copyright 2017  Piezo Hannas (WuHan) Tech Co,.Ltd.All rights reserved.
Товары