| штат: | |
|---|---|
| Количество: | |
PHW-1M-01V
Piezohannas
PHW-1M-01V
1 МГц подводный пьезоэлектрический ультразвуковой датчик для измерения потока
Технические параметры:
Предметы | Технические параметры | Изображение | |
Имя | 1 МГц подводный ультразвуковой преобразователь |
| |
Модель | PhW-1m-01V | ||
Частота | 1 МГц±5% | ||
Расстояние обнаружения | 005~3m | ||
Минимальный параллельный LMpedance | 15Ω ±20% | ||
6000пф±20%@1 кГц | |||
Чувствительность | dзаклинаниеvолтаж:24 В、Расстояние:03m、Эхо -амплитуда:1000 мВ | ||
Вершина горы Напряжение<300Vpp | |||
-40~+80℃ | |||
≤10Килограммы или 1mpa | |||
(Продолжительность пучка) Ширина луча полуосновной@-3db:1.8° ±10%, Резкий угол:4.4° ±10% | |||
Жилищный материал | композитный материал | ||
Применение | скорость потока, скорость | ||
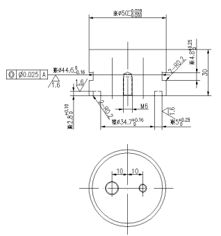
См. Рисунок структуры продукта для деталей | |||
Уровень защиты | IP68 | ||
Масса | 80g±5% (длина провода:30сm) | ||
Инструкции по проводке | Белый: датчик +, черный: преобразователь -, щит -проволока; ( Датчик температуры необязательно) | ||
Кривая допуска | Структура продукта | ||
| |||
Блок -схема ультразвукового преобразователя :
Схематическая схема датчика температуры (Модель: MF58_502F3470):
Инструкция кабеля интегрированного типа:
1. Проводная инструкция преобразователя: интерфейс (3PIN, 2,54 мм терминал)
Красный: датчик +
Белый: преобразователь -
Черный: экранирование
2. Крайняя инструкция датчика температуры: раздела (3PIN, 2,0 мм терминал)
Красный и черный - проводка датчика температуры
Тип разделения: стандартный 10 -метровый кабель с каждым дополнительным 50 м кабеля, ослабление сигнала составляет 6 дБ
Трехъядерные инструкции по проводке:
Красный: датчик +
Синий: датчик температуры +
Черный: публичный-
Четырехъядерные инструкции по проводке:
Красный: датчик +
Желтый: преобразователь-
Синий, черный: датчик температуры
Производственное шоу:
1 МГц подводный пьезоэлектрический ультразвуковой датчик для измерения потока
Технические параметры:
Предметы | Технические параметры | Изображение | |
Имя | 1 МГц подводный ультразвуковой преобразователь |
| |
Модель | PhW-1m-01V | ||
Частота | 1 МГц±5% | ||
Расстояние обнаружения | 005~3m | ||
Минимальный параллельный LMpedance | 15Ω ±20% | ||
6000пф±20%@1 кГц | |||
Чувствительность | dзаклинаниеvолтаж:24 В、Расстояние:03m、Эхо -амплитуда:1000 мВ | ||
Вершина горы Напряжение<300Vpp | |||
-40~+80℃ | |||
≤10Килограммы или 1mpa | |||
(Продолжительность пучка) Ширина луча полуосновной@-3db:1.8° ±10%, Резкий угол:4.4° ±10% | |||
Жилищный материал | композитный материал | ||
Применение | скорость потока, скорость | ||
См. Рисунок структуры продукта для деталей | |||
Уровень защиты | IP68 | ||
Масса | 80g±5% (длина провода:30сm) | ||
Инструкции по проводке | Белый: датчик +, черный: преобразователь -, щит -проволока; ( Датчик температуры необязательно) | ||
Кривая допуска | Структура продукта | ||
| |||
Блок -схема ультразвукового преобразователя :
Схематическая схема датчика температуры (Модель: MF58_502F3470):
Инструкция кабеля интегрированного типа:
1. Проводная инструкция преобразователя: интерфейс (3PIN, 2,54 мм терминал)
Красный: датчик +
Белый: преобразователь -
Черный: экранирование
2. Крайняя инструкция датчика температуры: раздела (3PIN, 2,0 мм терминал)
Красный и черный - проводка датчика температуры
Тип разделения: стандартный 10 -метровый кабель с каждым дополнительным 50 м кабеля, ослабление сигнала составляет 6 дБ
Трехъядерные инструкции по проводке:
Красный: датчик +
Синий: датчик температуры +
Черный: публичный-
Четырехъядерные инструкции по проводке:
Красный: датчик +
Желтый: преобразователь-
Синий, черный: датчик температуры
Производственное шоу: