ультразвуковые датчики, используемые для систем сонар в воде
Электростатическое ультразвуковое измерение электростасированного ультразвукового расстояния
Метод диапазона беспилотного воздушного автомобиля, оснащенного ультразвуковым преобразователем
Принцип технологии беспилотников и технологии ультразвукового диапазона
| штат: | |
|---|---|
| Количество: | |
PHA-100-02PE-FB
Piezohannas
PHA-100-02PE-FB
100 кГц Ультразвуковой преобразователь 2M Измерение расстояния для ультразвукового уровня.
Технические параметры:
Предметы | Технические параметры | Изображение | |
Имя | Антикоррузий и взрывозащитник 100 кГц |
| |
Модель | PhA-100-02pe-fb | ||
Частота | 100КГц ±5% | ||
Расстояние обнаружения | 0.15~2m | ||
Минимальный параллельный LMpedance | 700Ω ± 20% | ||
2100PF ± 20%@1 кГц | |||
Чувствительность | Нет нагрузки dзаклинаниеvолтаж: 300Vpp,Расстояние:03m, Эхо -амплитуда:40мв. | ||
Вершина горы Напряжение<800Vpp | |||
-40~+80 ℃ | |||
≤3Килограммы или 0,3 МПа | |||
Жилищный материал | PVDF | ||
Применение | Ультразвуковой датчик уровня, мониторинг, антиоллинение, безопасность | ||
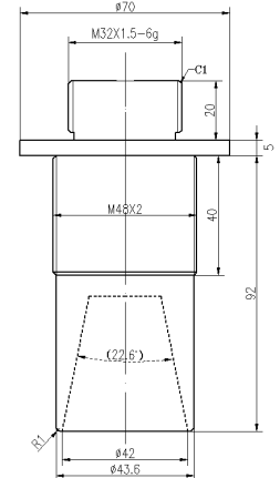
См. Рисунок структуры продукта для деталей | |||
Уровень защиты | IP68 | ||
Масса | 300G ± 5% | ||
Инструкции по проводке | Интегрированный интерфейс (3PIN, 2,54 мм терминал): красный положительный, белый отрицательный, черный провод щита; интерфейс (3PIN, 2,0 мм терминал): белый и черный для провода датчика температуры (MF58); | ||
Кривая допуска | Структура продукта | ||
| |||
Блок -схема ультразвукового преобразователя расстояния :
Схематическая схема датчика температуры (Модель: MF58_502F3470):
Инструкция кабеля интегрированного типа:
1. Проводная инструкция преобразователя: интерфейс (3PIN, 2,54 мм терминал)
Красный: датчик +
Белый: преобразователь -
Черный: экранирование
2. Крайняя инструкция датчика температуры: раздела (3PIN, 2,0 мм терминал)
Красный и черный - проводка датчика температуры
Тип разделения: стандартный 10 -метровый кабель с каждым дополнительным 50 м кабеля, ослабление сигнала составляет 6 дБ
Трехъядерные инструкции по проводке:
Красный: датчик +
Синий: датчик температуры +
Черный: публичный-
Четырехъядерные инструкции по проводке:
Красный: датчик +
Желтый: преобразователь-
Синий, черный: датчик температуры
Что входит в создание преобразователя?
Основным компонентом глубинного преобразователя является пьезокерамический элемент. Это та часть, которая преобразует электрические импульсы в звуковые волны, и когда Эхо возвращается, пьезокерамический элемент преобразует звуковые волны обратно в электрическую энергию. Пьезокерамические элементы чаще всего находятся в дисковой форме, но они также могут быть в форме стержня или кольца. Преобразователь может содержать один элемент или серию элементов, связанных вместе, называемых массивом. А Преобразователь состоит из шести отдельных компонентов:
В безконтактном ультразвуковом Измерение уровня, датчик излучает ультразвуковые импульсы в направлении среды, которая затем отражает их обратно. Прошло время от излучения до приема сигналов пропорционально уровню в резервуаре. Ультразвуковые датчики идеально подходят для простых стандартных применений, оба для жидкости и для твердые тела
100 кГц Ультразвуковой преобразователь 2M Измерение расстояния для ультразвукового уровня.
Технические параметры:
Предметы | Технические параметры | Изображение | |
Имя | Антикоррузий и взрывозащитник 100 кГц |
| |
Модель | PhA-100-02pe-fb | ||
Частота | 100КГц ±5% | ||
Расстояние обнаружения | 0.15~2m | ||
Минимальный параллельный LMpedance | 700Ω ± 20% | ||
2100PF ± 20%@1 кГц | |||
Чувствительность | Нет нагрузки dзаклинаниеvолтаж: 300Vpp,Расстояние:03m, Эхо -амплитуда:40мв. | ||
Вершина горы Напряжение<800Vpp | |||
-40~+80 ℃ | |||
≤3Килограммы или 0,3 МПа | |||
Жилищный материал | PVDF | ||
Применение | Ультразвуковой датчик уровня, мониторинг, антиоллинение, безопасность | ||
См. Рисунок структуры продукта для деталей | |||
Уровень защиты | IP68 | ||
Масса | 300G ± 5% | ||
Инструкции по проводке | Интегрированный интерфейс (3PIN, 2,54 мм терминал): красный положительный, белый отрицательный, черный провод щита; интерфейс (3PIN, 2,0 мм терминал): белый и черный для провода датчика температуры (MF58); | ||
Кривая допуска | Структура продукта | ||
| |||
Блок -схема ультразвукового преобразователя расстояния :
Схематическая схема датчика температуры (Модель: MF58_502F3470):
Инструкция кабеля интегрированного типа:
1. Проводная инструкция преобразователя: интерфейс (3PIN, 2,54 мм терминал)
Красный: датчик +
Белый: преобразователь -
Черный: экранирование
2. Крайняя инструкция датчика температуры: раздела (3PIN, 2,0 мм терминал)
Красный и черный - проводка датчика температуры
Тип разделения: стандартный 10 -метровый кабель с каждым дополнительным 50 м кабеля, ослабление сигнала составляет 6 дБ
Трехъядерные инструкции по проводке:
Красный: датчик +
Синий: датчик температуры +
Черный: публичный-
Четырехъядерные инструкции по проводке:
Красный: датчик +
Желтый: преобразователь-
Синий, черный: датчик температуры
Что входит в создание преобразователя?
Основным компонентом глубинного преобразователя является пьезокерамический элемент. Это та часть, которая преобразует электрические импульсы в звуковые волны, и когда Эхо возвращается, пьезокерамический элемент преобразует звуковые волны обратно в электрическую энергию. Пьезокерамические элементы чаще всего находятся в дисковой форме, но они также могут быть в форме стержня или кольца. Преобразователь может содержать один элемент или серию элементов, связанных вместе, называемых массивом. А Преобразователь состоит из шести отдельных компонентов:
В безконтактном ультразвуковом Измерение уровня, датчик излучает ультразвуковые импульсы в направлении среды, которая затем отражает их обратно. Прошло время от излучения до приема сигналов пропорционально уровню в резервуаре. Ультразвуковые датчики идеально подходят для простых стандартных применений, оба для жидкости и для твердые тела