ультразвуковые датчики, используемые для систем сонар в воде
Электростатическое ультразвуковое измерение электростасированного ультразвукового расстояния
Метод диапазона беспилотного воздушного автомобиля, оснащенного ультразвуковым преобразователем
Принцип технологии беспилотников и технологии ультразвукового диапазона
| штат: | |
|---|---|
| Количество: | |
PHA-49-08HC
Piezohannas
PHA-49-08HC
50 кГц измерение расстояния расстояния ультразвукового диапазона для ультразвукового доля
Технические параметры:
Предметы | Технические параметры | Изображение | |
Имя | 49 кГц ультразвуковой датчик |
| |
Модель | PHA-49-08HC | ||
Частота | 50 ± 2 кГц | ||
Расстояние обнаружения | 0.25~6 м | ||
Минимальный параллельный LMpedance | 200 Ом ± 20% | ||
4000PF ± 20%@1 кГц | |||
Чувствительность | Нет нагрузки dНапряжение зажатия:500Vpp,Расстояние:06m、Эхо -амплитуда:180мв. | ||
Вершина горы Напряжение<750Vpp | |||
-40~+80 ℃ | |||
≤3Килограммы или0,3 МПа | |||
(Продолжительность пучка) Ширина луча полуосновной@-3db: 9 ° ±10%, Резкий угол:21 ° ±10% | |||
Жилищный материал | АБС | ||
Применение | Ультразвуковой датчик уровня, ультразвуковое антиколлиение, ультразвуковой дальномер | ||
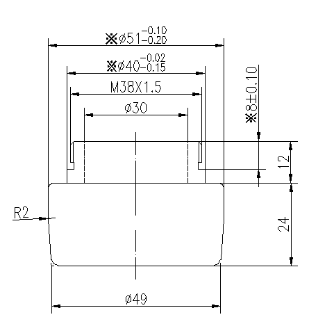
Проверка диаграммы структуры продукта ниже | |||
Уровень защиты | IP68 | ||
Масса | 95G ± 5% | ||
Инструкции по проводке | Интерфейс: Red Plus, White Minus, черный щит -проволоки; | ||
Кривая допуска | Структура продукта | ||
| |||
Блок -схема ультразвукового преобразователя расстояния :
Схематическая схема датчика температуры (Модель: MF58_502F3470):
Инструкция кабеля интегрированного типа:
1. Проводная инструкция преобразователя: интерфейс (3PIN, 2,54 мм терминал)
Красный: датчик +
Белый: преобразователь -
Черный: экранирование
2. Крайняя инструкция датчика температуры: раздела (3PIN, 2,0 мм терминал)
Красный и черный - проводка датчика температуры
Тип разделения: стандартный 10 -метровый кабель с каждым дополнительным 50 м кабеля, ослабление сигнала составляет 6 дБ
Трехъядерные инструкции по проводке:
Красный: датчик +
Синий: датчик температуры +
Черный: публичный-
Четырехъядерные инструкции по проводке:
Красный: датчик +
Желтый: преобразователь-
Синий, черный: датчик температуры
Что входит в создание преобразователя?
Основным компонентом глубинного преобразователя является пьезокерамический элемент. Это та часть, которая преобразует электрические импульсы в звуковые волны, и когда Эхо возвращается, пьезокерамический элемент преобразует звуковые волны обратно в электрическую энергию. Пьезокерамические элементы чаще всего находятся в дисковой форме, но они также могут быть в форме стержня или кольца. Преобразователь может содержать один элемент или серию элементов, связанных вместе, называемых массивом. А Преобразователь состоит из шести отдельных компонентов:
Ультразвуковые искатели диапазона измеряют расстояние, испуская импульс ультразвукового звука, который проходит через воздух, пока не попадет в объект. Когда этот пульс звука попадает Объект, это отражается от объекта и возвращается к искателю ультразвукового диапазона. Требуется звуковой импульс, чтобы путешествовать в путешествии в обратном пути от датчика и обратно. Затем он посылает сигнал Ардуино с информацией о том, сколько времени потребовалось для путешествий Sonic Pulse.
Ультразвуковые искатели диапазона - это весело Маленькие датчики, которые могут измерить расстояние. Вы можете использовать их, чтобы найти расстояние до объекта, или обнаружить, когда что -то рядом Датчик как детектор движения. Они Идеально подходит для проектов, включающих навигацию, предотвращение объектов и домашнюю безопасность. Потому что они Используйте звук для измерения расстояния, Они работают так же хорошо в темноте, как и в свете. который может измерять расстояния от 2 см до 400 см с точностью ± 3 мм.
50 кГц измерение расстояния расстояния ультразвукового диапазона для ультразвукового доля
Технические параметры:
Предметы | Технические параметры | Изображение | |
Имя | 49 кГц ультразвуковой датчик |
| |
Модель | PHA-49-08HC | ||
Частота | 50 ± 2 кГц | ||
Расстояние обнаружения | 0.25~6 м | ||
Минимальный параллельный LMpedance | 200 Ом ± 20% | ||
4000PF ± 20%@1 кГц | |||
Чувствительность | Нет нагрузки dНапряжение зажатия:500Vpp,Расстояние:06m、Эхо -амплитуда:180мв. | ||
Вершина горы Напряжение<750Vpp | |||
-40~+80 ℃ | |||
≤3Килограммы или0,3 МПа | |||
(Продолжительность пучка) Ширина луча полуосновной@-3db: 9 ° ±10%, Резкий угол:21 ° ±10% | |||
Жилищный материал | АБС | ||
Применение | Ультразвуковой датчик уровня, ультразвуковое антиколлиение, ультразвуковой дальномер | ||
Проверка диаграммы структуры продукта ниже | |||
Уровень защиты | IP68 | ||
Масса | 95G ± 5% | ||
Инструкции по проводке | Интерфейс: Red Plus, White Minus, черный щит -проволоки; | ||
Кривая допуска | Структура продукта | ||
| |||
Блок -схема ультразвукового преобразователя расстояния :
Схематическая схема датчика температуры (Модель: MF58_502F3470):
Инструкция кабеля интегрированного типа:
1. Проводная инструкция преобразователя: интерфейс (3PIN, 2,54 мм терминал)
Красный: датчик +
Белый: преобразователь -
Черный: экранирование
2. Крайняя инструкция датчика температуры: раздела (3PIN, 2,0 мм терминал)
Красный и черный - проводка датчика температуры
Тип разделения: стандартный 10 -метровый кабель с каждым дополнительным 50 м кабеля, ослабление сигнала составляет 6 дБ
Трехъядерные инструкции по проводке:
Красный: датчик +
Синий: датчик температуры +
Черный: публичный-
Четырехъядерные инструкции по проводке:
Красный: датчик +
Желтый: преобразователь-
Синий, черный: датчик температуры
Что входит в создание преобразователя?
Основным компонентом глубинного преобразователя является пьезокерамический элемент. Это та часть, которая преобразует электрические импульсы в звуковые волны, и когда Эхо возвращается, пьезокерамический элемент преобразует звуковые волны обратно в электрическую энергию. Пьезокерамические элементы чаще всего находятся в дисковой форме, но они также могут быть в форме стержня или кольца. Преобразователь может содержать один элемент или серию элементов, связанных вместе, называемых массивом. А Преобразователь состоит из шести отдельных компонентов:
Ультразвуковые искатели диапазона измеряют расстояние, испуская импульс ультразвукового звука, который проходит через воздух, пока не попадет в объект. Когда этот пульс звука попадает Объект, это отражается от объекта и возвращается к искателю ультразвукового диапазона. Требуется звуковой импульс, чтобы путешествовать в путешествии в обратном пути от датчика и обратно. Затем он посылает сигнал Ардуино с информацией о том, сколько времени потребовалось для путешествий Sonic Pulse.
Ультразвуковые искатели диапазона - это весело Маленькие датчики, которые могут измерить расстояние. Вы можете использовать их, чтобы найти расстояние до объекта, или обнаружить, когда что -то рядом Датчик как детектор движения. Они Идеально подходит для проектов, включающих навигацию, предотвращение объектов и домашнюю безопасность. Потому что они Используйте звук для измерения расстояния, Они работают так же хорошо в темноте, как и в свете. который может измерять расстояния от 2 см до 400 см с точностью ± 3 мм.