ультразвуковые датчики, используемые для систем сонар в воде
Электростатическое ультразвуковое измерение электростасированного ультразвукового расстояния
Метод диапазона беспилотного воздушного автомобиля, оснащенного ультразвуковым преобразователем
Принцип технологии беспилотников и технологии ультразвукового диапазона
| штат: | |
|---|---|
| Количество: | |
PHA-200-01XE
Piezohannas
PHA-200-01XE
Измерение расстояния ультразвукового преобразователя титанового сплава для ультразвукового потока газа
Технические параметры:
Предметы | Технические параметры | Изображение | |
Имя | 200 кГц ультразвуковой датчик |
| |
Модель | PhA-200-01XE | ||
Взрывная газовая атмосфера | Работать нормально | ||
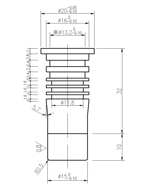
Диаметр активной зоны | 15 мм | ||
Частота | 195КГц ±5% | ||
Расстояние обнаружения | 0.10~1,5 м | ||
Минимальный параллельный LMpedance | 240Ω ± 20% | ||
1000PF ± 20%@1 кГц | |||
Чувствительность | Нет нагрузки dзаклинаниеvолтаж: 200Vpp,Расстояние:0,3м, Эхо -амплитуда: 8мв. | ||
Вершина горы Напряжение<600Vpp | |||
-40~+80 ℃ | |||
16KILOS или 1,6 МПа | |||
(Продолжительность пучка) Ширина луча с половиной мощности@-3db: 7 ° ±10%, Острый угол :: 18 ° ±10% | |||
Жилищный материал | Титановый сплав | ||
Применение | Ультразвуковой газовый проток | ||
измерение | (Может быть настроен в соответствии с требованиями клиента) | ||
Уровень защиты | IP68 | ||
Масса | 30G ± 5% (длина провода:20 см) | ||
Инструкции по проводке | Интерфейс: красный: преобразователь +, белый: преобразователь -, черный: экранированный провод, (датчик температуры не является обязательным) | ||
Кривая допуска | Структура продукта | ||
| |||
Блок -схема ультразвукового преобразователя расстояния :
Схематическая схема датчика температуры (Модель: MF58_502F3470):
Инструкция кабеля интегрированного типа:
1. Проводная инструкция преобразователя: интерфейс (3PIN, 2,54 мм терминал)
Красный: датчик +
Белый: преобразователь -
Черный: экранирование
2. Крайняя инструкция датчика температуры: раздела (3PIN, 2,0 мм терминал)
Красный и черный - проводка датчика температуры
Тип разделения: стандартный 10 -метровый кабель с каждым дополнительным 50 м кабеля, ослабление сигнала составляет 6 дБ
Трехъядерные инструкции по проводке:
Красный: датчик +
Синий: датчик температуры +
Черный: публичный-
Четырехъядерные инструкции по проводке:
Красный: датчик +
Желтый: преобразователь-
Синий, черный: датчик температуры
Что входит в создание преобразователя?
Основным компонентом глубинного преобразователя является пьезокерамический элемент. Это та часть, которая преобразует электрические импульсы в звуковые волны, и когда Эхо возвращается, пьезокерамический элемент преобразует звуковые волны обратно в электрическую энергию. Пьезокерамические элементы чаще всего находятся в дисковой форме, но они также могут быть в форме стержня или кольца. Преобразователь может содержать один элемент или серию элементов, связанных вместе, называемых массивом. А Преобразователь состоит из шести отдельных компонентов:
Измерение расстояния ультразвукового преобразователя титанового сплава для ультразвукового потока газа
Технические параметры:
Предметы | Технические параметры | Изображение | |
Имя | 200 кГц ультразвуковой датчик |
| |
Модель | PhA-200-01XE | ||
Взрывная газовая атмосфера | Работать нормально | ||
Диаметр активной зоны | 15 мм | ||
Частота | 195КГц ±5% | ||
Расстояние обнаружения | 0.10~1,5 м | ||
Минимальный параллельный LMpedance | 240Ω ± 20% | ||
1000PF ± 20%@1 кГц | |||
Чувствительность | Нет нагрузки dзаклинаниеvолтаж: 200Vpp,Расстояние:0,3м, Эхо -амплитуда: 8мв. | ||
Вершина горы Напряжение<600Vpp | |||
-40~+80 ℃ | |||
16KILOS или 1,6 МПа | |||
(Продолжительность пучка) Ширина луча с половиной мощности@-3db: 7 ° ±10%, Острый угол :: 18 ° ±10% | |||
Жилищный материал | Титановый сплав | ||
Применение | Ультразвуковой газовый проток | ||
измерение | (Может быть настроен в соответствии с требованиями клиента) | ||
Уровень защиты | IP68 | ||
Масса | 30G ± 5% (длина провода:20 см) | ||
Инструкции по проводке | Интерфейс: красный: преобразователь +, белый: преобразователь -, черный: экранированный провод, (датчик температуры не является обязательным) | ||
Кривая допуска | Структура продукта | ||
| |||
Блок -схема ультразвукового преобразователя расстояния :
Схематическая схема датчика температуры (Модель: MF58_502F3470):
Инструкция кабеля интегрированного типа:
1. Проводная инструкция преобразователя: интерфейс (3PIN, 2,54 мм терминал)
Красный: датчик +
Белый: преобразователь -
Черный: экранирование
2. Крайняя инструкция датчика температуры: раздела (3PIN, 2,0 мм терминал)
Красный и черный - проводка датчика температуры
Тип разделения: стандартный 10 -метровый кабель с каждым дополнительным 50 м кабеля, ослабление сигнала составляет 6 дБ
Трехъядерные инструкции по проводке:
Красный: датчик +
Синий: датчик температуры +
Черный: публичный-
Четырехъядерные инструкции по проводке:
Красный: датчик +
Желтый: преобразователь-
Синий, черный: датчик температуры
Что входит в создание преобразователя?
Основным компонентом глубинного преобразователя является пьезокерамический элемент. Это та часть, которая преобразует электрические импульсы в звуковые волны, и когда Эхо возвращается, пьезокерамический элемент преобразует звуковые волны обратно в электрическую энергию. Пьезокерамические элементы чаще всего находятся в дисковой форме, но они также могут быть в форме стержня или кольца. Преобразователь может содержать один элемент или серию элементов, связанных вместе, называемых массивом. А Преобразователь состоит из шести отдельных компонентов: