Piezo Hannas (WuHan) Tech Co,.Ltd .- Профессиональный пьезокерамический поставщик элементов
продукты
Вы здесь: Дом / Товары / Ультразвуковые преобразователи / Датчик расстояния / Измерение расстояния ультразвуковым датчиком 70 кГц для датчика уровня
Высокочастотные оптовые продукты для производителей и заводов:

Обратная связь

loading

Поделиться с:
sharethis sharing button

Измерение расстояния ультразвуковым датчиком 70 кГц для датчика уровня

Применение: Ультразвуковой датчик уровня, ультразвуковое антиколлинге, ультразвуковой дальномер
штат:
Количество:
  • PHA-70-03B

  • Piezohannas

  • PHA-70-03B

70 кГц измерение расстояния ультразвукового преобразователя для датчика уровня



Технические параметры:

Предметы

Технические параметры

Изображение

Имя

70 кГц ультразвуковой датчик

VNC4J72EZ_ZYC1N15  

G`h) g5`c7_lzneo7xwur  

Модель

       PhA-70-03B


Частота

70 кГц ±5%

Расстояние обнаружения

024m

Минимальный параллельный LMpedance

500Ω ± 20

Емкость

900PF ± 20@1 кГц

Чувствительность

Нет нагрузки dзаклинаниеvолтаж: 500VppРасстояние:06mЭхо -амплитуда:50мв.

Работа  Напряжение

Вершина горы  Напряжение800Vpp

Работа  Температура

-40+80 ℃

Давление

3Килограммы или  0.3MPA

Угол

(Продолжительность пучка) Ширина луча полуосновной@-3db:10° ±10%

Резкий угол:23° ±10%

Жилищный материал

Пома

Применение

Ультразвуковой датчик уровня, мониторинг, антиоллинение, безопасность


Уровень защиты

IP68

Масса

50G ± 5% (длина провода20см

Инструкции по проводке

Интерфейс: красный: датчик +, белый: преобразователь -, черный: экранированный провод, (датчик температурынеобязательно)


Кривая допуска

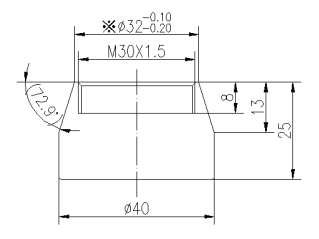
Структура продукта

Dmyru8`bau7tia9 (Whee  

R`_84ag4 (a) 9uacybbb





Блок -схема ультразвукового преобразователя расстояния :

0ryjg8d (6_Q9xm%86pdg

Схематическая схема датчика температуры  (Модель: MF58_502F3470):

O3`1pa5yr5%z5`dq1r
Инструкция кабеля интегрированного типа:   


1. Проводная инструкция преобразователя: интерфейс (3PIN, 2,54 мм терминал)
Красный: датчик +     
Белый: преобразователь -         
Черный: экранирование


01
2. Крайняя инструкция датчика температуры: раздела (3PIN, 2,0 мм терминал)
02
Красный и черный - проводка датчика температуры



Тип разделения: стандартный 10 -метровый кабель с каждым дополнительным 50 м кабеля, ослабление сигнала составляет 6 дБ

Трехъядерные инструкции по проводке:                             
                                               
     Красный: датчик +
         Синий: датчик температуры +
         Черный: публичный-

1
 Четырехъядерные инструкции по проводке:

Красный: датчик +                                           
Желтый: преобразователь-
Синий, черный: датчик температуры


2


Что входит в создание преобразователя?


Основным компонентом глубинного преобразователя является пьезокерамический элемент. Это та часть, которая преобразует электрические импульсы в звуковые волны, и когда Эхо возвращается, пьезокерамический элемент преобразует звуковые волны обратно в электрическую энергию. Пьезокерамические элементы чаще всего находятся в дисковой форме, но они также могут быть в форме стержня или кольца. Преобразователь может содержать один элемент или серию элементов, связанных вместе, называемых массивом. А Преобразователь состоит из шести отдельных компонентов:


Применение измерения ультразвукового уровня:

 

В безконтактном ультразвуковом Измерение уровня, датчик излучает ультразвуковые импульсы в направлении среды, которая затем отражает их обратно. Прошло время от излучения до приема сигналов пропорционально уровню в резервуаре. Ультразвуковые датчики идеально подходят для простых стандартных применений, оба для жидкости и для твердые тела




предыдущий: 
следующий: 

Горячие продукты

Piezo Hannas (WuHan) Tech Co,.Ltd - это профессиональная пьезоэлектрическая керамика и производитель ультразвуковых преобразователей, посвященный ультразвуковым технологиям и промышленным приложениям.

СВЯЖИТЕСЬ С НАМИ

Добавить: № 456 Wu Luo Road, район Вучан, город Ухан, провинция Хубей, Китай.
Эл. адрес:sales@piezohannas.com
Тел: +86 27 84898868
Телефон: +86 +18986196674
QQ: 1553242848
Skype: Live: Mary_14398
Copyright 2017  Piezo Hannas (WuHan) Tech Co,.Ltd.All rights reserved.
Товары