ультразвуковые датчики, используемые для систем сонар в воде
Электростатическое ультразвуковое измерение электростасированного ультразвукового расстояния
Метод диапазона беспилотного воздушного автомобиля, оснащенного ультразвуковым преобразователем
Принцип технологии беспилотников и технологии ультразвукового диапазона
| штат: | |
|---|---|
| Количество: | |
PHA-200-01KH
Piezohannas
PHA-200-01KH
Ультразвуковой преобразователь 200 кГц для ультразвукового инструмента ультразвука
Технические параметры:
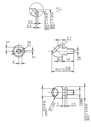
Предметы | Технические параметры | Изображение | |
Имя | 200 кГц Ультразвуковой датчик |
| |
Модель | PhA-200-01KH | ||
Частота | 200 кГц ±5% | ||
Расстояние обнаружения | 0.10~1,5 м | ||
Минимум Параллельный LMpedance | 600Ω ± 20% | ||
800PF ± 20%@1 кГц | |||
Чувствительность | Напряжение за рулем:800Vpp,Расстояние:0,3м, Эхо -амплитуда:25мв. | ||
Вершина горы Напряжение<1000Vpp | |||
-40~+80 ℃ | |||
≤3kilos или 0,3 МПа | |||
| (Продолжительность пучка) Ширина луча полуосновной балки@-3db:8.4° ±10%, Резкий угол:20° ±10% | ||
Корпус Материал | Пома | ||
Применение | Анеморумометр , газовый проток | ||
нить:M8*1 | |||
Уровень защиты | IP68 | ||
Масса | 10G ± 5% (Lэн:25см) | ||
Инструкции по проводке | integratЭд тип:разъем:Красный+,Белый-,Черный: экранированный; (Датчик температуры необязательно) | ||
Кривая допуска | Структура продукта | ||
| |||
Блок -схема ультразвукового преобразователя расстояния :
Схематическая схема датчика температуры (Модель: MF58_502F3470):
Инструкция кабеля интегрированного типа:
1. Проводная инструкция преобразователя: интерфейс (3PIN, 2,54 мм терминал)
Красный: датчик +
Белый: преобразователь -
Черный: экранирование
2. Крайняя инструкция датчика температуры: раздела (3PIN, 2,0 мм терминал)
Красный и черный - проводка датчика температуры
Тип разделения: стандартный 10 -метровый кабель с каждым дополнительным 50 м кабеля, ослабление сигнала составляет 6 дБ
Трехъядерные инструкции по проводке:
Красный: датчик +
Синий: датчик температуры +
Черный: публичный-
Четырехъядерные инструкции по проводке:
Красный: датчик +
Желтый: преобразователь-
Синий, черный: датчик температуры
Нанесение датчика скорости ветра:
Анемметр или устройство измерения скорости ветра являются обычным прибором метеорологической станции.
Анемметр является общим инструментом на метеостанции. Он используется для измерения скорости ветра и направления ветра. Наиболее распространенный тип анемометра использует механические датчики, состоящие из трех или четырех полусферических чашек, установленных на горизонтальных руках на вертикальном стержне. Когда ветер дует, чашки толкаются, заставляя руки вращаться со скоростью, пропорциональной скорости ветра.
Изображение приложения:
Ультразвуковой преобразователь 200 кГц для ультразвукового инструмента ультразвука
Технические параметры:
Предметы | Технические параметры | Изображение | |
Имя | 200 кГц Ультразвуковой датчик |
| |
Модель | PhA-200-01KH | ||
Частота | 200 кГц ±5% | ||
Расстояние обнаружения | 0.10~1,5 м | ||
Минимум Параллельный LMpedance | 600Ω ± 20% | ||
800PF ± 20%@1 кГц | |||
Чувствительность | Напряжение за рулем:800Vpp,Расстояние:0,3м, Эхо -амплитуда:25мв. | ||
Вершина горы Напряжение<1000Vpp | |||
-40~+80 ℃ | |||
≤3kilos или 0,3 МПа | |||
| (Продолжительность пучка) Ширина луча полуосновной балки@-3db:8.4° ±10%, Резкий угол:20° ±10% | ||
Корпус Материал | Пома | ||
Применение | Анеморумометр , газовый проток | ||
нить:M8*1 | |||
Уровень защиты | IP68 | ||
Масса | 10G ± 5% (Lэн:25см) | ||
Инструкции по проводке | integratЭд тип:разъем:Красный+,Белый-,Черный: экранированный; (Датчик температуры необязательно) | ||
Кривая допуска | Структура продукта | ||
| |||
Блок -схема ультразвукового преобразователя расстояния :
Схематическая схема датчика температуры (Модель: MF58_502F3470):
Инструкция кабеля интегрированного типа:
1. Проводная инструкция преобразователя: интерфейс (3PIN, 2,54 мм терминал)
Красный: датчик +
Белый: преобразователь -
Черный: экранирование
2. Крайняя инструкция датчика температуры: раздела (3PIN, 2,0 мм терминал)
Красный и черный - проводка датчика температуры
Тип разделения: стандартный 10 -метровый кабель с каждым дополнительным 50 м кабеля, ослабление сигнала составляет 6 дБ
Трехъядерные инструкции по проводке:
Красный: датчик +
Синий: датчик температуры +
Черный: публичный-
Четырехъядерные инструкции по проводке:
Красный: датчик +
Желтый: преобразователь-
Синий, черный: датчик температуры
Нанесение датчика скорости ветра:
Анемметр или устройство измерения скорости ветра являются обычным прибором метеорологической станции.
Анемметр является общим инструментом на метеостанции. Он используется для измерения скорости ветра и направления ветра. Наиболее распространенный тип анемометра использует механические датчики, состоящие из трех или четырех полусферических чашек, установленных на горизонтальных руках на вертикальном стержне. Когда ветер дует, чашки толкаются, заставляя руки вращаться со скоростью, пропорциональной скорости ветра.
Изображение приложения: