ультразвуковые датчики, используемые для систем сонар в воде
Электростатическое ультразвуковое измерение электростасированного ультразвукового расстояния
Метод диапазона беспилотного воздушного автомобиля, оснащенного ультразвуковым преобразователем
Принцип технологии беспилотников и технологии ультразвукового диапазона
| штат: | |
|---|---|
| Количество: | |
PHA-70-03A
Piezohannas
PHA-70-03A
60 кГц антикоррозионный взрыв-защитник ультразвуковой датчик для ультразвукового уровня.
Технические параметры:
Предметы | Технические параметры | Изображение | |
Имя | 70 кГц ультразвуковой датчик |
| |
Модель | PhA-70-03A | ||
Частота | 70 кГц ±5% | ||
Расстояние обнаружения | 0.3~3M | ||
Минимальный параллельный LMpedance | 1500 Ом ± 20% | ||
1100pf ± 20%@1 кГц | |||
Чувствительность | загрузка dзаклинаниеvолтаж:800Vpp,Расстояние:06m、Эхо -амплитуда:100 мВ | ||
Вершина горы Напряжение<1500Vpp | |||
-40~+80 ℃ | |||
≤3Килограммы или 0,3 МПа | |||
(Продолжительность пучка) Ширина луча полуосновной@-3db: 10 ° ±10%, Резкий угол:23 ° ±10% | |||
Жилищный материал | Пома | ||
Применение | Ультразвуковой уровень уровня, мониторинг, противодействие, безопасность | ||
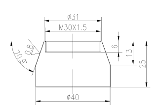
Подъемная нить:M30*1,5 | |||
Уровень защиты | IP68 | ||
Масса | 70 г ± 5% (длина провода:25 см) | ||
Инструкции по проводке | Интерфейс: красный: преобразователь +, белый: преобразователь -, черный: экранированный провод, (датчик температуры не является обязательным) | ||
Кривая допуска | Структура продукта | ||
|
| ||
Блок -схема ультразвукового преобразователя расстояния :
Схематическая схема датчика температуры (Модель: MF58_502F3470):
Инструкция кабеля интегрированного типа:
1. Проводная инструкция преобразователя: интерфейс (3PIN, 2,54 мм терминал)
Красный: датчик +
Белый: преобразователь -
Черный: экранирование
2. Крайняя инструкция датчика температуры: раздела (3PIN, 2,0 мм терминал)
Красный и черный - проводка датчика температуры
Тип разделения: стандартный 10 -метровый кабель с каждым дополнительным 50 м кабеля, ослабление сигнала составляет 6 дБ
Трехъядерные инструкции по проводке:
Красный: датчик +
Синий: датчик температуры +
Черный: публичный-
Четырехъядерные инструкции по проводке:
Красный: датчик +
Желтый: преобразователь-
Синий, черный: датчик температуры
Что входит в создание преобразователя?
Основным компонентом глубинного преобразователя является пьезокерамический элемент. Это та часть, которая преобразует электрические импульсы в звуковые волны, и когда Эхо возвращается, пьезокерамический элемент преобразует звуковые волны обратно в электрическую энергию. Пьезокерамические элементы чаще всего находятся в дисковой форме, но они также могут быть в форме стержня или кольца. Преобразователь может содержать один элемент или серию элементов, связанных вместе, называемых массивом. А Преобразователь состоит из шести отдельных компонентов:
В безконтактном ультразвуковом Измерение уровня, датчик излучает ультразвуковые импульсы в направлении среды, которая затем отражает их обратно. Прошло время от излучения до приема сигналов пропорционально уровню в резервуаре. Ультразвуковые датчики идеально подходят для простых стандартных применений, оба для жидкости и для твердые тела
60 кГц антикоррозионный взрыв-защитник ультразвуковой датчик для ультразвукового уровня.
Технические параметры:
Предметы | Технические параметры | Изображение | |
Имя | 70 кГц ультразвуковой датчик |
| |
Модель | PhA-70-03A | ||
Частота | 70 кГц ±5% | ||
Расстояние обнаружения | 0.3~3M | ||
Минимальный параллельный LMpedance | 1500 Ом ± 20% | ||
1100pf ± 20%@1 кГц | |||
Чувствительность | загрузка dзаклинаниеvолтаж:800Vpp,Расстояние:06m、Эхо -амплитуда:100 мВ | ||
Вершина горы Напряжение<1500Vpp | |||
-40~+80 ℃ | |||
≤3Килограммы или 0,3 МПа | |||
(Продолжительность пучка) Ширина луча полуосновной@-3db: 10 ° ±10%, Резкий угол:23 ° ±10% | |||
Жилищный материал | Пома | ||
Применение | Ультразвуковой уровень уровня, мониторинг, противодействие, безопасность | ||
Подъемная нить:M30*1,5 | |||
Уровень защиты | IP68 | ||
Масса | 70 г ± 5% (длина провода:25 см) | ||
Инструкции по проводке | Интерфейс: красный: преобразователь +, белый: преобразователь -, черный: экранированный провод, (датчик температуры не является обязательным) | ||
Кривая допуска | Структура продукта | ||
|
| ||
Блок -схема ультразвукового преобразователя расстояния :
Схематическая схема датчика температуры (Модель: MF58_502F3470):
Инструкция кабеля интегрированного типа:
1. Проводная инструкция преобразователя: интерфейс (3PIN, 2,54 мм терминал)
Красный: датчик +
Белый: преобразователь -
Черный: экранирование
2. Крайняя инструкция датчика температуры: раздела (3PIN, 2,0 мм терминал)
Красный и черный - проводка датчика температуры
Тип разделения: стандартный 10 -метровый кабель с каждым дополнительным 50 м кабеля, ослабление сигнала составляет 6 дБ
Трехъядерные инструкции по проводке:
Красный: датчик +
Синий: датчик температуры +
Черный: публичный-
Четырехъядерные инструкции по проводке:
Красный: датчик +
Желтый: преобразователь-
Синий, черный: датчик температуры
Что входит в создание преобразователя?
Основным компонентом глубинного преобразователя является пьезокерамический элемент. Это та часть, которая преобразует электрические импульсы в звуковые волны, и когда Эхо возвращается, пьезокерамический элемент преобразует звуковые волны обратно в электрическую энергию. Пьезокерамические элементы чаще всего находятся в дисковой форме, но они также могут быть в форме стержня или кольца. Преобразователь может содержать один элемент или серию элементов, связанных вместе, называемых массивом. А Преобразователь состоит из шести отдельных компонентов:
В безконтактном ультразвуковом Измерение уровня, датчик излучает ультразвуковые импульсы в направлении среды, которая затем отражает их обратно. Прошло время от излучения до приема сигналов пропорционально уровню в резервуаре. Ультразвуковые датчики идеально подходят для простых стандартных применений, оба для жидкости и для твердые тела