ультразвуковые датчики, используемые для систем сонар в воде
Электростатическое ультразвуковое измерение электростасированного ультразвукового расстояния
Метод диапазона беспилотного воздушного автомобиля, оснащенного ультразвуковым преобразователем
Принцип технологии беспилотников и технологии ультразвукового диапазона
| штат: | |
|---|---|
| Количество: | |
PHAL-200-01P
Piezohannas
PHAL-200-01P
Ультразвуковой пьезоэлектрический преобразователь 200 кГц для ультразвукового газометра
Технические параметры:
Предметы | Технические параметры | Изображение | |
Имя | 200 кГц Ультразвуковой датчик |
| |
Модель | PhAL-200-01P | ||
Частота | 200 кГц ±5% | ||
Расстояние обнаружения | 0.10~1M | ||
Минимальный параллельный LMpedance | 460Ω ± 20% | ||
700PF ± 20%@1 кГц | |||
Чувствительность | загрузка dзаклинаниеvолтаж::800Vpp,Расстояние:0,3м, Эхо -амплитуда:7мв. | ||
Вершина горы Напряжение<1000Vpp | |||
-40~+80 ℃ | |||
≤3Килограммы или 0.3MPA | |||
(Продолжительность пучка) Ширина луча полуосновной@-3db:10.5° ±10%, Резкий угол:24.9° ±10% | |||
Жилищный материал | |||
Применение | Ультразвуковой газовый проток | ||
Уровень защиты | IP68 | ||
Масса | 5.5G ± 5% (длина провода:30см) | ||
Инструкции по проводке | Интерфейс: красный: преобразователь +, белый: преобразователь -, черный: экранированный провод, (датчик температуры не является обязательным) | ||
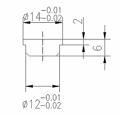
Кривая допуска | Структура продукта | ||
|
| ||
Блок -схема ультразвукового преобразователя расстояния :
Схематическая схема датчика температуры (Модель: MF58_502F3470):
Инструкция кабеля интегрированного типа:
1. Проводная инструкция преобразователя: интерфейс (3PIN, 2,54 мм терминал)
Красный: датчик +
Белый: преобразователь -
Черный: экранирование
2. Крайняя инструкция датчика температуры: раздела (3PIN, 2,0 мм терминал)
Красный и черный - проводка датчика температуры
Тип разделения: стандартный 10 -метровый кабель с каждым дополнительным 50 м кабеля, ослабление сигнала составляет 6 дБ
Трехъядерные инструкции по проводке:
Красный: датчик +
Синий: датчик температуры +
Черный: публичный-
Четырехъядерные инструкции по проводке:
Красный: датчик +
Желтый: преобразователь-
Синий, черный: датчик температуры
Отдел производства :
Ультразвуковой пьезоэлектрический преобразователь 200 кГц для ультразвукового газометра
Технические параметры:
Предметы | Технические параметры | Изображение | |
Имя | 200 кГц Ультразвуковой датчик |
| |
Модель | PhAL-200-01P | ||
Частота | 200 кГц ±5% | ||
Расстояние обнаружения | 0.10~1M | ||
Минимальный параллельный LMpedance | 460Ω ± 20% | ||
700PF ± 20%@1 кГц | |||
Чувствительность | загрузка dзаклинаниеvолтаж::800Vpp,Расстояние:0,3м, Эхо -амплитуда:7мв. | ||
Вершина горы Напряжение<1000Vpp | |||
-40~+80 ℃ | |||
≤3Килограммы или 0.3MPA | |||
(Продолжительность пучка) Ширина луча полуосновной@-3db:10.5° ±10%, Резкий угол:24.9° ±10% | |||
Жилищный материал | |||
Применение | Ультразвуковой газовый проток | ||
Уровень защиты | IP68 | ||
Масса | 5.5G ± 5% (длина провода:30см) | ||
Инструкции по проводке | Интерфейс: красный: преобразователь +, белый: преобразователь -, черный: экранированный провод, (датчик температуры не является обязательным) | ||
Кривая допуска | Структура продукта | ||
|
| ||
Блок -схема ультразвукового преобразователя расстояния :
Схематическая схема датчика температуры (Модель: MF58_502F3470):
Инструкция кабеля интегрированного типа:
1. Проводная инструкция преобразователя: интерфейс (3PIN, 2,54 мм терминал)
Красный: датчик +
Белый: преобразователь -
Черный: экранирование
2. Крайняя инструкция датчика температуры: раздела (3PIN, 2,0 мм терминал)
Красный и черный - проводка датчика температуры
Тип разделения: стандартный 10 -метровый кабель с каждым дополнительным 50 м кабеля, ослабление сигнала составляет 6 дБ
Трехъядерные инструкции по проводке:
Красный: датчик +
Синий: датчик температуры +
Черный: публичный-
Четырехъядерные инструкции по проводке:
Красный: датчик +
Желтый: преобразователь-
Синий, черный: датчик температуры
Отдел производства :