ультразвуковые датчики, используемые для систем сонар в воде
Электростатическое ультразвуковое измерение электростасированного ультразвукового расстояния
Метод диапазона беспилотного воздушного автомобиля, оснащенного ультразвуковым преобразователем
Принцип технологии беспилотников и технологии ультразвукового диапазона
| штат: | |
|---|---|
| Количество: | |
PHA-200-01TL
Piezohannas
PHA-200-01TL
200 кГц ПВДФ корпус Ультразвуковой газовой датчик для ультразвукового газа измерителя
Технические параметры:
Предметы | Технические параметры | Изображение | |
Имя | 200 кГц Ультразвуковой датчик |
| |
Модель | PhA-200-01tL | ||
Частота | 200 кГц ±5% | ||
Расстояние обнаружения | 0.10~1,5 м | ||
Минимальный параллельный LMpedance | 350Ω ± 20% | ||
640PF ± 20%@1 кГц | |||
Чувствительность | загрузка dзаклинаниеvолтаж:800Vpp,Расстояние:0,3м, Эхо -амплитуда: 30 мВ | ||
Вершина горы Напряжение<900Vpp | |||
-40~+80 ℃ | |||
≤3kilos или 0,3 МПа | |||
(Продолжительность пучка) Ширина луча с половиной мощности@-3db: 7 ° ±10%, Острый угол :: 17 ° ±10% | |||
Жилищный материал | PVDF | ||
Применение | Ультразвуковой газомер | ||
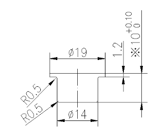
измерение | Смотрите структурные рисунки для деталей | ||
Уровень защиты | IP68 | ||
Масса | 8G ± 5% (длина провода:25 см) | ||
Инструкции по проводке | Интерфейс: красный: преобразователь +, белый: преобразователь -, черный: экранированный провод, (датчик температуры не является обязательным) | ||
Кривая допуска | Структура продукта | ||
| |||
Блок -схема ультразвукового преобразователя расстояния :
Схематическая схема датчика температуры (Модель: MF58_502F3470):
Инструкция кабеля интегрированного типа:
1. Проводная инструкция преобразователя: интерфейс (3PIN, 2,54 мм терминал)
Красный: датчик +
Белый: преобразователь -
Черный: экранирование
2. Крайняя инструкция датчика температуры: раздела (3PIN, 2,0 мм терминал)
Красный и черный - проводка датчика температуры
Тип разделения: стандартный 10 -метровый кабель с каждым дополнительным 50 м кабеля, ослабление сигнала составляет 6 дБ
Трехъядерные инструкции по проводке:
Красный: датчик +
Синий: датчик температуры +
Черный: публичный-
Четырехъядерные инструкции по проводке:
Красный: датчик +
Желтый: преобразователь-
Синий, черный: датчик температуры
Приложение для Ультразвуковой поток газа:
Промышленность схемы потока газа широко используются для применения жидкости и воды, долгое время было признано, что зажим по технологии потока газа не может быть применен к измерению массового потока газа, главным образом из -за фундаментальных теоретических пределов измерения. Передаваемая звуковая энергия получает традиционные ультразвуковые преобразователи. Тем не менее, достижения в области зажима по технологии измерения потока и обработки потока газа означали, что, несмотря на более низкие уровни акустического импеданса и более высокие уровни затухания в большинстве газов, зажим на счетчика потока газа теперь может измерять время транзита в газах, где соотношение сигналов и шумов чрезвычайно низкий. Теперь можно измерить природный газ, готовить на пару, сжатый воздух, водород, сжатый воздух и многое другое, используя зажим на расходах.
200 кГц ПВДФ корпус Ультразвуковой газовой датчик для ультразвукового газа измерителя
Технические параметры:
Предметы | Технические параметры | Изображение | |
Имя | 200 кГц Ультразвуковой датчик |
| |
Модель | PhA-200-01tL | ||
Частота | 200 кГц ±5% | ||
Расстояние обнаружения | 0.10~1,5 м | ||
Минимальный параллельный LMpedance | 350Ω ± 20% | ||
640PF ± 20%@1 кГц | |||
Чувствительность | загрузка dзаклинаниеvолтаж:800Vpp,Расстояние:0,3м, Эхо -амплитуда: 30 мВ | ||
Вершина горы Напряжение<900Vpp | |||
-40~+80 ℃ | |||
≤3kilos или 0,3 МПа | |||
(Продолжительность пучка) Ширина луча с половиной мощности@-3db: 7 ° ±10%, Острый угол :: 17 ° ±10% | |||
Жилищный материал | PVDF | ||
Применение | Ультразвуковой газомер | ||
измерение | Смотрите структурные рисунки для деталей | ||
Уровень защиты | IP68 | ||
Масса | 8G ± 5% (длина провода:25 см) | ||
Инструкции по проводке | Интерфейс: красный: преобразователь +, белый: преобразователь -, черный: экранированный провод, (датчик температуры не является обязательным) | ||
Кривая допуска | Структура продукта | ||
| |||
Блок -схема ультразвукового преобразователя расстояния :
Схематическая схема датчика температуры (Модель: MF58_502F3470):
Инструкция кабеля интегрированного типа:
1. Проводная инструкция преобразователя: интерфейс (3PIN, 2,54 мм терминал)
Красный: датчик +
Белый: преобразователь -
Черный: экранирование
2. Крайняя инструкция датчика температуры: раздела (3PIN, 2,0 мм терминал)
Красный и черный - проводка датчика температуры
Тип разделения: стандартный 10 -метровый кабель с каждым дополнительным 50 м кабеля, ослабление сигнала составляет 6 дБ
Трехъядерные инструкции по проводке:
Красный: датчик +
Синий: датчик температуры +
Черный: публичный-
Четырехъядерные инструкции по проводке:
Красный: датчик +
Желтый: преобразователь-
Синий, черный: датчик температуры
Приложение для Ультразвуковой поток газа:
Промышленность схемы потока газа широко используются для применения жидкости и воды, долгое время было признано, что зажим по технологии потока газа не может быть применен к измерению массового потока газа, главным образом из -за фундаментальных теоретических пределов измерения. Передаваемая звуковая энергия получает традиционные ультразвуковые преобразователи. Тем не менее, достижения в области зажима по технологии измерения потока и обработки потока газа означали, что, несмотря на более низкие уровни акустического импеданса и более высокие уровни затухания в большинстве газов, зажим на счетчика потока газа теперь может измерять время транзита в газах, где соотношение сигналов и шумов чрезвычайно низкий. Теперь можно измерить природный газ, готовить на пару, сжатый воздух, водород, сжатый воздух и многое другое, используя зажим на расходах.